画CAD忘记图例?一篇文章解决

线型及其含义:

画CAD忘记图例?一篇文章解决,画CAD忘记图例?一篇文章解决,设计,图纸,要求,第1张


画CAD忘记图例?一篇文章解决,画CAD忘记图例?一篇文章解决,设计,图纸,要求,第2张


比例:

画CAD忘记图例?一篇文章解决,画CAD忘记图例?一篇文章解决,设计,图纸,要求,第3张


水、汽管道代号:

画CAD忘记图例?一篇文章解决,画CAD忘记图例?一篇文章解决,设计,图纸,要求,第4张


画CAD忘记图例?一篇文章解决,画CAD忘记图例?一篇文章解决,设计,图纸,要求,第5张


工艺管道施工图常用图例:

画CAD忘记图例?一篇文章解决,画CAD忘记图例?一篇文章解决,设计,图纸,要求,第6张


画CAD忘记图例?一篇文章解决,画CAD忘记图例?一篇文章解决,设计,图纸,要求,第7张


水、汽管道阀门和附件图例:

画CAD忘记图例?一篇文章解决,画CAD忘记图例?一篇文章解决,设计,图纸,要求,第8张


画CAD忘记图例?一篇文章解决,画CAD忘记图例?一篇文章解决,设计,图纸,要求,第9张


给排水、采暖常用图例:

画CAD忘记图例?一篇文章解决,画CAD忘记图例?一篇文章解决,设计,图纸,要求,第10张


通风空调工程常用图例:

画CAD忘记图例?一篇文章解决,画CAD忘记图例?一篇文章解决,设计,图纸,要求,第11张


风道代号:

画CAD忘记图例?一篇文章解决,画CAD忘记图例?一篇文章解决,设计,图纸,要求,第12张


风道、阀门及附件图例:

画CAD忘记图例?一篇文章解决,画CAD忘记图例?一篇文章解决,设计,图纸,要求,第13张


画CAD忘记图例?一篇文章解决,画CAD忘记图例?一篇文章解决,设计,图纸,要求,第14张


风口和附件代号:

画CAD忘记图例?一篇文章解决,画CAD忘记图例?一篇文章解决,设计,图纸,要求,第15张


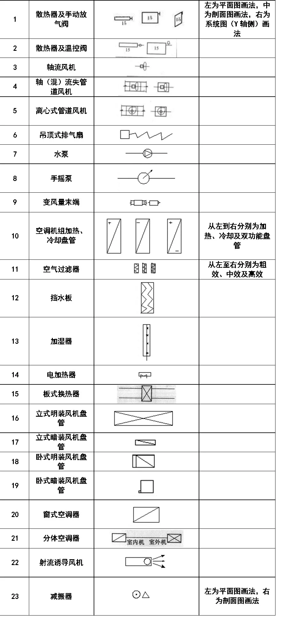
暖通空调设备图例:

画CAD忘记图例?一篇文章解决,画CAD忘记图例?一篇文章解决,设计,图纸,要求,第16张


调控装置及仪表图例:

画CAD忘记图例?一篇文章解决,画CAD忘记图例?一篇文章解决,设计,图纸,要求,第17张


画CAD忘记图例?一篇文章解决,画CAD忘记图例?一篇文章解决,设计,图纸,要求,第18张


各种执行机构可与风阀、水阀组合表示相应功能的控制阀门。


消防工程基本图形符号:

画CAD忘记图例?一篇文章解决,画CAD忘记图例?一篇文章解决,设计,图纸,要求,第19张


消防工程辅助符号:

画CAD忘记图例?一篇文章解决,画CAD忘记图例?一篇文章解决,设计,图纸,要求,第20张


消防工程灭火器符号:

画CAD忘记图例?一篇文章解决,画CAD忘记图例?一篇文章解决,设计,图纸,要求,第21张


消防管路及配件符号:

画CAD忘记图例?一篇文章解决,画CAD忘记图例?一篇文章解决,设计,图纸,要求,第22张


消防工程固定灭火器系统符号:

画CAD忘记图例?一篇文章解决,画CAD忘记图例?一篇文章解决,设计,图纸,要求,第23张


消防工程灭火设备安装处符号:

画CAD忘记图例?一篇文章解决,画CAD忘记图例?一篇文章解决,设计,图纸,要求,第24张


消防设施:

画CAD忘记图例?一篇文章解决,画CAD忘记图例?一篇文章解决,设计,图纸,要求,第25张


画CAD忘记图例?一篇文章解决,画CAD忘记图例?一篇文章解决,设计,图纸,要求,第26张


消防工程自动报警设备符号:

画CAD忘记图例?一篇文章解决,画CAD忘记图例?一篇文章解决,设计,图纸,要求,第27张


管道图例:

画CAD忘记图例?一篇文章解决,画CAD忘记图例?一篇文章解决,设计,图纸,要求,第28张


画CAD忘记图例?一篇文章解决,画CAD忘记图例?一篇文章解决,设计,图纸,要求,第29张


管道附件:

画CAD忘记图例?一篇文章解决,画CAD忘记图例?一篇文章解决,设计,图纸,要求,第30张


画CAD忘记图例?一篇文章解决,画CAD忘记图例?一篇文章解决,设计,图纸,要求,第31张


管道连接:

画CAD忘记图例?一篇文章解决,画CAD忘记图例?一篇文章解决,设计,图纸,要求,第32张


管件:

画CAD忘记图例?一篇文章解决,画CAD忘记图例?一篇文章解决,设计,图纸,要求,第33张


常见阀门:

画CAD忘记图例?一篇文章解决,画CAD忘记图例?一篇文章解决,设计,图纸,要求,第34张


画CAD忘记图例?一篇文章解决,画CAD忘记图例?一篇文章解决,设计,图纸,要求,第35张


给水配件:

画CAD忘记图例?一篇文章解决,画CAD忘记图例?一篇文章解决,设计,图纸,要求,第36张


小型给水排水构筑物:

画CAD忘记图例?一篇文章解决,画CAD忘记图例?一篇文章解决,设计,图纸,要求,第37张


给水排水设备:

画CAD忘记图例?一篇文章解决,画CAD忘记图例?一篇文章解决,设计,图纸,要求,第38张


仪表:

画CAD忘记图例?一篇文章解决,画CAD忘记图例?一篇文章解决,设计,图纸,要求,第39张


管道和设备布置平面图、剖面图示例:

管道和设备布置平面图应按假象除去上层板后俯视规则绘制,其相应的垂直剖面图应在平面图中表明剖切符号。

画CAD忘记图例?一篇文章解决,画CAD忘记图例?一篇文章解决,设计,图纸,要求,第40张

标准层平面图

画CAD忘记图例?一篇文章解决,画CAD忘记图例?一篇文章解决,设计,图纸,要求,第41张

平、剖面示例

平面图、剖面图索引符号的画法:

平面图、剖面图中的局部需另绘详图时,应在平、剖面图上标注索引符号。索引符号的画法见下图。

画CAD忘记图例?一篇文章解决,画CAD忘记图例?一篇文章解决,设计,图纸,要求,第42张

索引符号的画法

内视符号画法:

当表示局部位置的相互关系,在平面图上应标注内视符号。

画CAD忘记图例?一篇文章解决,画CAD忘记图例?一篇文章解决,设计,图纸,要求,第43张

内视符号画法

系统编号:

1、一个工程设计中同时有供暖、通风、空调等两个及以上的不同系统时,应进行系统编号。

2、暖通空调系统编号、入口编号,应由系统代号和顺序号组成。

3、系统代号用大写拉丁字母表示,顺序号用阿拉伯数字表示。当一个系统出现分支时,可采用下图的画法。


系统代号:

画CAD忘记图例?一篇文章解决,画CAD忘记图例?一篇文章解决,设计,图纸,要求,第44张


画CAD忘记图例?一篇文章解决,画CAD忘记图例?一篇文章解决,设计,图纸,要求,第45张


立管号的画法:

竖向布置的垂直管道系统,应标注立管号,在不一致引起误解时,可只标注序号,但应与建筑轴线编号有明显区别。

画CAD忘记图例?一篇文章解决,画CAD忘记图例?一篇文章解决,设计,图纸,要求,第46张

立管号的画法

管道相对标高的画法:

1、在无法标注垂直尺寸的图样中,应标注标高。标高应以m为单位,并应精确到cm或mm。

2、标高符号应以直角等腰三角形表示。当面标准层较多时,可只标注与本层楼(地)板面的相对标高。

3、水、汽管道所标高未予说明时,应表示为管中心标高。

4、水、汽管道标注管道外底或顶标高时,应在数字前加“底”或“顶”字样。

5、矩形风管所注标高应表示管底标高;圆形风管所注标高应表示管中心标高。当不采用此方法标注时,应进行说明。

6、平面图中无坡度要求的管道标高可标注在管道截面尺寸后的括号内。必要时,应在标高数字前加“底”或“顶”的字样。

画CAD忘记图例?一篇文章解决,画CAD忘记图例?一篇文章解决,设计,图纸,要求,第47张

相对标高的画法

管道截面尺寸的标注符号及画法:

1、低压流体输送用焊接管道规格应标注公称通径或压力。公称通径的标记应由字母“DN”后跟一个以亳米表示的数值组成;公称压力的代号应为“PN”。

2、输送流体用无缝钢管、螺旋缝或直缝焊接钢管、铜管、不锈钢管,当需要注明外径和壁厚时,应用“D(或Φ)外径×壁厚”表示。在不致引起误解时,也可采用公称通径表示。

3、塑料管外径应用“de”表示。

4、圆形风管的截面定型尺寸应以直径“Φ”表示,单位应为mm。

5、矩形风管(风道)的截面定型尺寸应以“A×B”表示。“A”应为该视图投影面的边长尺寸,“B”应为另一边尺雨。A、B单位均应为mm。

6、水平管道的规格宜标注在管道的上方;竖向管道的规格宜标注在管道的左侧。双线表示的管道,其规格可标注在管道轮廓线内。

画CAD忘记图例?一篇文章解决,画CAD忘记图例?一篇文章解决,设计,图纸,要求,第48张

管道截面尺寸的画法

多条管线的规格标注方法:

画CAD忘记图例?一篇文章解决,画CAD忘记图例?一篇文章解决,设计,图纸,要求,第49张

多条管线规格的画法

风口、散流器表示方法:

画CAD忘记图例?一篇文章解决,画CAD忘记图例?一篇文章解决,设计,图纸,要求,第50张

风口、散流器的表示方法

定位尺寸的表示方法:

画CAD忘记图例?一篇文章解决,画CAD忘记图例?一篇文章解决,设计,图纸,要求,第51张

定位尺寸的表示方式

单线管道转向的画法:

画CAD忘记图例?一篇文章解决,画CAD忘记图例?一篇文章解决,设计,图纸,要求,第52张

单线管道转向的画法

双线管道转向的画法:

画CAD忘记图例?一篇文章解决,画CAD忘记图例?一篇文章解决,设计,图纸,要求,第53张

双线管道转向的画法

单线管道分支的画法:

画CAD忘记图例?一篇文章解决,画CAD忘记图例?一篇文章解决,设计,图纸,要求,第54张

单线管道分支的画法

双线管道分支的画法:

画CAD忘记图例?一篇文章解决,画CAD忘记图例?一篇文章解决,设计,图纸,要求,第55张

双线管道分支的画法

送风管转向的画法:

画CAD忘记图例?一篇文章解决,画CAD忘记图例?一篇文章解决,设计,图纸,要求,第56张

送风管转向的画法

回风管转向的画法:

画CAD忘记图例?一篇文章解决,画CAD忘记图例?一篇文章解决,设计,图纸,要求,第57张


管道断开的画法:

平面图、剖视图中管道因重叠、密集需断开时,应采用断开画法。

画CAD忘记图例?一篇文章解决,画CAD忘记图例?一篇文章解决,设计,图纸,要求,第58张

管道断开的画法

管道在本图中断的画法:

管道在本图中断,转至其他图面表示(或由其他图面引来)时,应注明转至(或来自的)的图纸编号。

画CAD忘记图例?一篇文章解决,画CAD忘记图例?一篇文章解决,设计,图纸,要求,第59张

管道在本图中断的画法

管道交叉的画法:

画CAD忘记图例?一篇文章解决,画CAD忘记图例?一篇文章解决,设计,图纸,要求,第60张

管道交叉的画法

管道跨越的画法:

画CAD忘记图例?一篇文章解决,画CAD忘记图例?一篇文章解决,设计,图纸,要求,第61张

管道跨越的画法


免责声明:
1;所有标注为智造资料网zl.fbzzw.cn的内容均为本站所有,版权均属本站所有,若您需要引用、转载,必须注明来源及原文链接即可,如涉及大面积转载,请来信告知,获取《授权协议》。
2;本网站图片,文字之类版权申明,因为网站可以由注册用户自行上传图片或文字,本网站无法鉴别所上传图片或文字的知识版权,如果侵犯,请及时通知我们,本网站将在第一时间及时删除,相关侵权责任均由相应上传用户自行承担。
[complaint:内容投诉]
智造资料网打造智能制造3D图纸下载,在线视频,软件下载,在线问答综合平台 » 画CAD忘记图例?一篇文章解决