UG创建凸轮教程(图文教程)

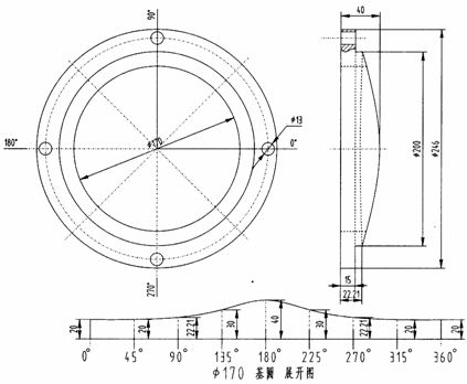
    介绍端面凸轮零件的构建。其构建思路为:首先构建一圆柱体,然后创建与圆柱面相切的基准平面,以基准平面作为草绘平面,绘制凸轮基圆展开曲线,然后用缠绕/展开曲线功能将基圆展开曲线缠绕在圆柱面上,最后用拉伸偏置、裁剪、孔特征等功能构建凸轮主体和联接安装孔,如图1.1所示。

UG创建凸轮教程(图文教程),UG创建凸轮教程,如图,选择,对话框,第1张

UG创建凸轮教程(图文教程),UG创建凸轮教程,如图,选择,对话框,第2张

图 1.1

1.1 建立新文件

    选择菜单中的【文件】/【新建】命令或选择UG创建凸轮教程(图文教程),UG创建凸轮教程,如图,选择,对话框,第3张(New建立新文件)图标,出现【新部件文件】对话框,在【文件名(N)】栏中输入zt,选择【单位】栏中的【毫米】,以毫米为单位,单击UG创建凸轮教程(图文教程),UG创建凸轮教程,如图,选择,对话框,第4张按钮确定。建立文件名为zt.prt,单位为毫米的文件。

1.2 建立主模型
UG创建凸轮教程(图文教程),UG创建凸轮教程,如图,选择,对话框,第5张1.2.1 创建凸轮圆柱体

1. 创建表达式

    选择菜单中的【工具】/【表达式】命令,出现【表达式】对话框,如图1.2所示,在名称、公式栏依次输入D、170,注意在上面单位下拉框选择UG创建凸轮教程(图文教程),UG创建凸轮教程,如图,选择,对话框,第6张选项,当完成输入后,选择UG创建凸轮教程(图文教程),UG创建凸轮教程,如图,选择,对话框,第7张(接受编辑)图标,如图1.2所示。

UG创建凸轮教程(图文教程),UG创建凸轮教程,如图,选择,对话框,第8张

图 1.2

    完成D值输入后单击UG创建凸轮教程(图文教程),UG创建凸轮教程,如图,选择,对话框,第9张按钮,结束创建表达式。

2. 绘制圆柱

    选择菜单中的【插入】/【设计特征】/【圆柱体】命令或在【成型特征】工具栏选择UG创建凸轮教程(图文教程),UG创建凸轮教程,如图,选择,对话框,第10张(圆柱)图标,出现【圆柱】对话框,如图1.3所示。单击UG创建凸轮教程(图文教程),UG创建凸轮教程,如图,选择,对话框,第11张按钮,出现【矢量构成】对话框,如图1.4所示,在【矢量构成】对话框中选择UG创建凸轮教程(图文教程),UG创建凸轮教程,如图,选择,对话框,第12张图标。系统出现【圆柱】对话框,要求输入参数,如图1.5所示,在【直径】、【高度】栏分别输入D、50,单击UG创建凸轮教程(图文教程),UG创建凸轮教程,如图,选择,对话框,第13张按钮。

UG创建凸轮教程(图文教程),UG创建凸轮教程,如图,选择,对话框,第14张  UG创建凸轮教程(图文教程),UG创建凸轮教程,如图,选择,对话框,第15张 UG创建凸轮教程(图文教程),UG创建凸轮教程,如图,选择,对话框,第16张

图 1.3    图 1.4    图 1.5

    出现【点构造器】对话框,如图1.6所示,在此对话框中单击UG创建凸轮教程(图文教程),UG创建凸轮教程,如图,选择,对话框,第17张按钮,然后单击UG创建凸轮教程(图文教程),UG创建凸轮教程,如图,选择,对话框,第18张按钮,这样就完成绘制圆柱,如图1.7所示。

UG创建凸轮教程(图文教程),UG创建凸轮教程,如图,选择,对话框,第19张    UG创建凸轮教程(图文教程),UG创建凸轮教程,如图,选择,对话框,第20张

 图 1.6       图 1.7

3. 创建基准平面

    选择菜单中的【插入】/【基准/点】/【基准平面】命令或在【成型特征】工具栏中选择UG创建凸轮教程(图文教程),UG创建凸轮教程,如图,选择,对话框,第21张(基准平面)图标,出现基准平面工具条,如图1.8所示,在图形中选择圆柱面,然后在基准平面工具条选择UG创建凸轮教程(图文教程),UG创建凸轮教程,如图,选择,对话框,第22张(确定)图标,建立基准平面如图1.9所示。

UG创建凸轮教程(图文教程),UG创建凸轮教程,如图,选择,对话框,第23张     UG创建凸轮教程(图文教程),UG创建凸轮教程,如图,选择,对话框,第24张 

  图 1.8     图 1.9

    选择菜单中的【插入】/【基准/点】/【基准平面】命令或在【成型特征】工具栏中选择UG创建凸轮教程(图文教程),UG创建凸轮教程,如图,选择,对话框,第21张(基准平面)图标,出现基准平面工具条,如图1.10所示,选择UG创建凸轮教程(图文教程),UG创建凸轮教程,如图,选择,对话框,第26张(基准平面)图标,如图1.11所示,出现【基准平面】对话框,在图形中选择圆柱面,如图1.12所示,然后选择上一步创建的基准平面,图形中出现预览的基准平面,如图1.12所示。

UG创建凸轮教程(图文教程),UG创建凸轮教程,如图,选择,对话框,第27张    UG创建凸轮教程(图文教程),UG创建凸轮教程,如图,选择,对话框,第28张   UG创建凸轮教程(图文教程),UG创建凸轮教程,如图,选择,对话框,第29张

 图 1.10      图 1.11     图 1.12

    然后在【基准平面】对话框中单击UG创建凸轮教程(图文教程),UG创建凸轮教程,如图,选择,对话框,第30张(另解)按钮两次,如图1.13所示,最后在【基准平面】对话框中单击UG创建凸轮教程(图文教程),UG创建凸轮教程,如图,选择,对话框,第31张按钮,建立基准平面如图1.14所示。

UG创建凸轮教程(图文教程),UG创建凸轮教程,如图,选择,对话框,第32张   UG创建凸轮教程(图文教程),UG创建凸轮教程,如图,选择,对话框,第33张

 图 1.13      图 1.14

4. 测量长度

    选择菜单中的【工具】/【表达式】命令,出现【表达式】对话框,如图1.15所示,在列出的表达式下拉框选择UG创建凸轮教程(图文教程),UG创建凸轮教程,如图,选择,对话框,第34张选项,表达式栏出现圆柱直径p0、圆柱高度p1参数,在【表达式】对话框下方选择UG创建凸轮教程(图文教程),UG创建凸轮教程,如图,选择,对话框,第35张(测量长度)图标,出现测量长度工具条,如图1.16所示,在图形中选择圆柱边缘来测量圆柱的周长,如图1.17所示。

    接下来,在测量长度工具条单击UG创建凸轮教程(图文教程),UG创建凸轮教程,如图,选择,对话框,第36张(确定)按钮。此时,【表达式】对话框中出现p3参数表达式,如图1.18所示,选择p3表达式行,将名称p3改成T,完成后单击UG创建凸轮教程(图文教程),UG创建凸轮教程,如图,选择,对话框,第36张(确定)按钮,最后在【表达式】对话框中单击UG创建凸轮教程(图文教程),UG创建凸轮教程,如图,选择,对话框,第31张按钮,如图1.19所示,结束创建表达式。

5.移动工作坐标系

    选择菜单中的【格式】/【WCS】/【原点】命令或在【实用程序】工具条选择UG创建凸轮教程(图文教程),UG创建凸轮教程,如图,选择,对话框,第10张(WCS原点)图标,出现【点构造器】对话框,在对话框中选择UG创建凸轮教程(图文教程),UG创建凸轮教程,如图,选择,对话框,第40张(象限点)图标,如图1.20所示,然后在图形中选择如图1.21所示的象限点,单击UG创建凸轮教程(图文教程),UG创建凸轮教程,如图,选择,对话框,第41张按钮,将坐标系移至指定点,结果如图1.22所示。

UG创建凸轮教程(图文教程),UG创建凸轮教程,如图,选择,对话框,第42张   UG创建凸轮教程(图文教程),UG创建凸轮教程,如图,选择,对话框,第43张   UG创建凸轮教程(图文教程),UG创建凸轮教程,如图,选择,对话框,第44张

图 1.15  图 1.16  图 1.17

UG创建凸轮教程(图文教程),UG创建凸轮教程,如图,选择,对话框,第45张  UG创建凸轮教程(图文教程),UG创建凸轮教程,如图,选择,对话框,第46张

图 1.18     图 1.19

UG创建凸轮教程(图文教程),UG创建凸轮教程,如图,选择,对话框,第47张   UG创建凸轮教程(图文教程),UG创建凸轮教程,如图,选择,对话框,第48张   UG创建凸轮教程(图文教程),UG创建凸轮教程,如图,选择,对话框,第49张

     图 1.20    图 1.21     图 1.22 

 

1.2.2 创建凸轮主体
1. 绘制凸轮基圆展开曲线

    选择菜单中的【插入】/【草图】命令或在【成型特征】工具条选择UG创建凸轮教程(图文教程),UG创建凸轮教程,如图,选择,对话框,第50张(草图)图标,出现草图绘制界面,选择UG创建凸轮教程(图文教程),UG创建凸轮教程,如图,选择,对话框,第51张(YC-ZC平面)图标,如图1.23所示,系统提示【创建草图】平面对话框,如图1.24所示,单击UG创建凸轮教程(图文教程),UG创建凸轮教程,如图,选择,对话框,第52张按钮,然后在基准平面工具条选择UG创建凸轮教程(图文教程),UG创建凸轮教程,如图,选择,对话框,第53张(确定)图标,出现草图绘制区。

UG创建凸轮教程(图文教程),UG创建凸轮教程,如图,选择,对话框,第54张          UG创建凸轮教程(图文教程),UG创建凸轮教程,如图,选择,对话框,第55张 

 图 1.23      图 1.24

步骤:

(1)在【草图曲线】工具条选择UG创建凸轮教程(图文教程),UG创建凸轮教程,如图,选择,对话框,第56张(点)图标,出现【点构造器】对话框,在此对话框中XC、YC、ZC栏输入0、20、0,如图1.25所示,然后在对话框中单击UG创建凸轮教程(图文教程),UG创建凸轮教程,如图,选择,对话框,第13张按钮,绘制点如图1.26所示。

UG创建凸轮教程(图文教程),UG创建凸轮教程,如图,选择,对话框,第58张  UG创建凸轮教程(图文教程),UG创建凸轮教程,如图,选择,对话框,第59张

图 1.25  图 1.26

    继续绘制点,在【点构造器】对话框中XC、YC、ZC栏输入T/8、20、0,如图1.27所示,然后在对话框中单击UG创建凸轮教程(图文教程),UG创建凸轮教程,如图,选择,对话框,第60张按钮,绘制点如图1.28所示。

UG创建凸轮教程(图文教程),UG创建凸轮教程,如图,选择,对话框,第61张  UG创建凸轮教程(图文教程),UG创建凸轮教程,如图,选择,对话框,第62张

 图 1.27     图 1.28

按照上述方法,绘制其他7个点,具体坐标如下:(T/4,22.21,0)、(T*3/8,30,0)、(T/2,40,0)、(T*5/8,30,0)、(T*3/4,22.21,0)、(T*7/8,20,0)、(T,20,0),完成结果如图1.29所示。

UG创建凸轮教程(图文教程),UG创建凸轮教程,如图,选择,对话框,第63张

图 1.29

UG创建凸轮教程(图文教程),文本框: 图 1.30 ,如图,选择,对话框,第64张

(2)创建样条曲线,在【草图曲线】工具条选择UG创建凸轮教程(图文教程),UG创建凸轮教程,如图,选择,对话框,第65张(艺术样条)图标,出现【艺术样条】对话框,在此对话框中选择UG创建凸轮教程(图文教程),UG创建凸轮教程,如图,选择,对话框,第66张(通过点)图标,次数选择3,如图1.30所示,然后在捕捉点工具条选择UG创建凸轮教程(图文教程),UG创建凸轮教程,如图,选择,对话框,第67张(存在点)图标,然后在图形中从点2到点8从小到大选择点,如图1.31所示,然后在【艺术样条】对话中单UG创建凸轮教程(图文教程),UG创建凸轮教程,如图,选择,对话框,第68张按钮,完成样条曲线如图1.32所示。

UG创建凸轮教程(图文教程),UG创建凸轮教程,如图,选择,对话框,第69张

图 1.31

UG创建凸轮教程(图文教程),UG创建凸轮教程,如图,选择,对话框,第70张

图 1.32

(3)绘制直线,在【草图曲线】工具栏选择UG创建凸轮教程(图文教程),UG创建凸轮教程,如图,选择,对话框,第71张(直线)图标,在捕捉点工具条选择UG创建凸轮教程(图文教程),UG创建凸轮教程,如图,选择,对话框,第72张(存在点)图标,然后选择点1与点2,点8与点9,绘制两条直线,如图1.33所示。

UG创建凸轮教程(图文教程),UG创建凸轮教程,如图,选择,对话框,第73张

图 1.33

(4)加上约束,在【草图约束】工具条选择UG创建凸轮教程(图文教程),UG创建凸轮教程,如图,选择,对话框,第74张(约束)图标,在草图中选择直线12的端点1与YC轴,如图1.34所示,草图左上角出现浮动工具按钮,在其中选择UG创建凸轮教程(图文教程),UG创建凸轮教程,如图,选择,对话框,第75张(点在曲线上)图标,约束的结果如图1.35所示,在【草图约束】工具条选择UG创建凸轮教程(图文教程),UG创建凸轮教程,如图,选择,对话框,第76张(显示所有约束)图标,使图形中的约束显示出来。

UG创建凸轮教程(图文教程),UG创建凸轮教程,如图,选择,对话框,第77张      UG创建凸轮教程(图文教程),UG创建凸轮教程,如图,选择,对话框,第78张

  图 1.34  图 1.35

(5)标注尺寸,在【草图约束】工具条选择UG创建凸轮教程(图文教程),UG创建凸轮教程,如图,选择,对话框,第79张(自动推断的)图标,按照如图1.36所示的尺寸进行标注。P21=20,P22=66.759,P23=133.518,P24=200.277,P25=267.035, P26= 333.794,P27=400.553,P28=467.312,P29=534.071,P30=22.21,P31=30,P32=40,P33=30,P34=22.21,P35=20。

UG创建凸轮教程(图文教程),UG创建凸轮教程,如图,选择,对话框,第80张

图 1.36

(6)此时,窗口下方状态栏出现UG创建凸轮教程(图文教程),UG创建凸轮教程,如图,选择,对话框,第12张,在【草图】工具条选择UG创建凸轮教程(图文教程),UG创建凸轮教程,如图,选择,对话框,第82张(完成草图)图标,窗口回到建模界面。

2. 创建缠绕/展开曲线

    选择菜单中的【插入】/【曲线中的一条曲线】/【缠绕/展开】命令或在【曲线】工具栏选择UG创建凸轮教程(图文教程),UG创建凸轮教程,如图,选择,对话框,第83张(缠绕/展开)图标,出现【缠绕/展开曲线】对话框,如图1.37所示,选择UG创建凸轮教程(图文教程),UG创建凸轮教程,如图,选择,对话框,第84张选项,然后根据提示在图形中选择如图1.38所示的圆柱面为缠绕面。

UG创建凸轮教程(图文教程),UG创建凸轮教程,如图,选择,对话框,第85张  UG创建凸轮教程(图文教程),UG创建凸轮教程,如图,选择,对话框,第86张

 图 1.37  图 1.38

然后在【缠绕/展开曲线】对话框选择UG创建凸轮教程(图文教程),UG创建凸轮教程,如图,选择,对话框,第87张(缠绕平面)图标,如图1.39所示,在图形中选择基准平面为缠绕平面,如图1.40所示。

UG创建凸轮教程(图文教程),UG创建凸轮教程,如图,选择,对话框,第88张     UG创建凸轮教程(图文教程),UG创建凸轮教程,如图,选择,对话框,第89张       

图 1.39  图 1.40

    然后在【缠绕/展开曲线】对话框选择UG创建凸轮教程(图文教程),UG创建凸轮教程,如图,选择,对话框,第75张(曲线)图标,如图1.41所示,在图形中选择草图曲线,如图1.42所示。

UG创建凸轮教程(图文教程),UG创建凸轮教程,如图,选择,对话框,第91张     UG创建凸轮教程(图文教程),UG创建凸轮教程,如图,选择,对话框,第92张

 图 1.41     图 1.42

当完成选择曲线后,在【缠绕/展开曲线】对话框中单击UG创建凸轮教程(图文教程),UG创建凸轮教程,如图,选择,对话框,第9张按钮,完成创建缠绕曲线,如图1.43所示。

3. 设置为绝对工作坐标系

    选择菜单中的【格式】/【WCS】/【方位】命令或在【实用程序】工具栏选择UG创建凸轮教程(图文教程),UG创建凸轮教程,如图,选择,对话框,第94张(设置为绝对 WCS )图标,将坐标恢复至绝对坐标,如图1.44所示。

UG创建凸轮教程(图文教程),UG创建凸轮教程,如图,选择,对话框,第95张    UG创建凸轮教程(图文教程),UG创建凸轮教程,如图,选择,对话框,第96张

图1.43       图1.44

4. 绘制圆柱

    选择菜单中的【插入】/【设计特征】/【圆柱体】命令或在【成型特征】工具栏选择UG创建凸轮教程(图文教程),UG创建凸轮教程,如图,选择,对话框,第97张(圆柱)图标,出现【圆柱】对话框,如图1.45所示。单击UG创建凸轮教程(图文教程),UG创建凸轮教程,如图,选择,对话框,第11张按钮,出现【矢量构成】对话框,如图1.46所示,在【矢量构成】对话框中选择UG创建凸轮教程(图文教程),UG创建凸轮教程,如图,选择,对话框,第99张图标。系统出现【圆柱】对话框,系统提示输入参数,如图1.47所示,在【直径】、【高度】栏分别输入246、15,单击UG创建凸轮教程(图文教程),UG创建凸轮教程,如图,选择,对话框,第18张按钮。

UG创建凸轮教程(图文教程),UG创建凸轮教程,如图,选择,对话框,第101张     UG创建凸轮教程(图文教程),UG创建凸轮教程,如图,选择,对话框,第102张     UG创建凸轮教程(图文教程),UG创建凸轮教程,如图,选择,对话框,第103张

图 1.45     图 1.46    图 1.47

出现【点构造器】对话框,如图1.48所示,在此对话框中单击UG创建凸轮教程(图文教程),UG创建凸轮教程,如图,选择,对话框,第104张按钮,然后单击UG创建凸轮教程(图文教程),UG创建凸轮教程,如图,选择,对话框,第18张按钮,出现【布尔操作】对话框,如图1.49所示,单击UG创建凸轮教程(图文教程),UG创建凸轮教程,如图,选择,对话框,第106张按钮,完成圆柱绘制,如图1.50所示。

UG创建凸轮教程(图文教程),UG创建凸轮教程,如图,选择,对话框,第107张    UG创建凸轮教程(图文教程),UG创建凸轮教程,如图,选择,对话框,第6张    UG创建凸轮教程(图文教程),UG创建凸轮教程,如图,选择,对话框,第109张

 图 1.48       图 1.49      图 1.50

5. 创建拉伸特征

    选择菜单中的【插入】/【设计特征】/【拉伸】命令或在【成型特征】工具条选择UG创建凸轮教程(图文教程),UG创建凸轮教程,如图,选择,对话框,第110张(拉伸)图标,出现拉伸浮动工具条,如图1.51所示,选择UG创建凸轮教程(图文教程),UG创建凸轮教程,如图,选择,对话框,第77张(拉伸对话框)图标,出现【拉伸】对话框,如图1.52所示,在选择意图选项内单击UG创建凸轮教程(图文教程),UG创建凸轮教程,如图,选择,对话框,第112张(更多)图标,出现【拉伸选择意图选项】对话框,勾选UG创建凸轮教程(图文教程),UG创建凸轮教程,如图,选择,对话框,第113张选项,如图1.53所示,然后单击UG创建凸轮教程(图文教程),UG创建凸轮教程,如图,选择,对话框,第114张按钮。系统要求选择欲拉伸的截面几何体,在下方的选择意图下拉框选择UG创建凸轮教程(图文教程),UG创建凸轮教程,如图,选择,对话框,第115张(单条)选项,按图1.54所示分三段选择粗线曲线。

UG创建凸轮教程(图文教程),UG创建凸轮教程,如图,选择,对话框,第116张UG创建凸轮教程(图文教程),UG创建凸轮教程,如图,选择,对话框,第117张 UG创建凸轮教程(图文教程),UG创建凸轮教程,如图,选择,对话框,第48张 

     图 1.52   图 1.53

    然后在【拉伸】对话框中选择UG创建凸轮教程(图文教程),UG创建凸轮教程,如图,选择,对话框,第119张(反向)图标,图形中出现向下拉伸的箭头,如图1.55所示,接着在【拉伸】对话框中勾选【偏置】复选框,图形中出现偏置方向,如图1.56所示,然后选择【双边】单选按钮,在【起始】、【结束】栏输入-15、5,如图1.52所示,再在【布尔运算】下拉框选择UG创建凸轮教程(图文教程),UG创建凸轮教程,如图,选择,对话框,第120张(并)图标,系统提示选择要相加的目标体,在图形中选择如图1.57所示的实体,接着在【起始值】栏输入【0】,【结束】下拉框选择【直到被延伸】选项,系统提示为选择终点限制选择裁剪对象,在图形中选择如图1.58所示的圆柱底面。最后在【拉伸】对话框中单击UG创建凸轮教程(图文教程),UG创建凸轮教程,如图,选择,对话框,第121张按钮,结果如图1.59所示(隐藏基准及曲线后)。

UG创建凸轮教程(图文教程),UG创建凸轮教程,如图,选择,对话框,第122张    UG创建凸轮教程(图文教程),UG创建凸轮教程,如图,选择,对话框,第123张 

图 1.54   图 1.55

UG创建凸轮教程(图文教程),UG创建凸轮教程,如图,选择,对话框,第124张   UG创建凸轮教程(图文教程),UG创建凸轮教程,如图,选择,对话框,第125张

图 1.56      图 1.57 

UG创建凸轮教程(图文教程),UG创建凸轮教程,如图,选择,对话框,第126张UG创建凸轮教程(图文教程),UG创建凸轮教程,如图,选择,对话框,第127张

图 1.58         图 1.59

6. 创建裁剪体特征

    选择菜单中的【插入】/【裁剪】/【修整】命令或在【特征操作】工具栏选择UG创建凸轮教程(图文教程),UG创建凸轮教程,如图,选择,对话框,第128张(裁剪体)图标,出现【裁剪体】对话框,如图1.60所示,系统提示选择目标体,在图形区选择如图1.61所示的实体,然后在【裁剪体】对话框中单击UG创建凸轮教程(图文教程),UG创建凸轮教程,如图,选择,对话框,第9张按钮,出现【裁剪体】对话框,系统提示定义面,如图1.62所示。

UG创建凸轮教程(图文教程),UG创建凸轮教程,如图,选择,对话框,第130张     UG创建凸轮教程(图文教程),UG创建凸轮教程,如图,选择,对话框,第131张     UG创建凸轮教程(图文教程),UG创建凸轮教程,如图,选择,对话框,第132张

 图 1.60   图 1.61    图 1.62

    接着在图形中选择如图1.63所示的圆柱面,出现【裁剪体】对话框,如图1.64所示,确认选择面,单击UG创建凸轮教程(图文教程),UG创建凸轮教程,如图,选择,对话框,第9张按钮,出现【裁剪体】对话框,系统提示确定裁剪方向,如图1.65所示。

UG创建凸轮教程(图文教程),UG创建凸轮教程,如图,选择,对话框,第134张   UG创建凸轮教程(图文教程),UG创建凸轮教程,如图,选择,对话框,第135张   UG创建凸轮教程(图文教程),UG创建凸轮教程,如图,选择,对话框,第136张 

 图 1.63    图 1.64  图 1.65

    图形中出现如图1.66所示的裁剪方向,显然不符合我们要求的裁剪方向,在【裁剪体】对话框单击UG创建凸轮教程(图文教程),UG创建凸轮教程,如图,选择,对话框,第137张按钮,即完成创建裁剪体特征,如图1.67所示。

7. 隐藏中间圆柱

    选择菜单中的【编辑】/【隐藏】/【隐藏】命令或在【实用程序】工具栏选择UG创建凸轮教程(图文教程),UG创建凸轮教程,如图,选择,对话框,第138张(隐藏)图标,将中间圆柱隐藏,结果如图1.68所示。

UG创建凸轮教程(图文教程),UG创建凸轮教程,如图,选择,对话框,第139张    UG创建凸轮教程(图文教程),UG创建凸轮教程,如图,选择,对话框,第140张

图 1.66      图 1.67

UG创建凸轮教程(图文教程),UG创建凸轮教程,如图,选择,对话框,第141张

图 1.68

UG创建凸轮教程(图文教程),UG创建凸轮教程,如图,选择,对话框,第142张1.2.3 构建凸轮安装孔
1. 绘制辅助直线

    选择菜单中的【插入】/【曲线】/【基本曲线】命令或在【曲线】工具条选择UG创建凸轮教程(图文教程),UG创建凸轮教程,如图,选择,对话框,第46张(基本曲线)图标,出现【基本曲线】对话框,选择UG创建凸轮教程(图文教程),UG创建凸轮教程,如图,选择,对话框,第144张(直线)图标,取消选中【线串模式】复选框,如图1.69所示,在下方的【跟踪栏】里XC、YC、ZC栏输入0、0、0,如图1.70所示,然后按回车键,接着继续在【跟踪栏】里XC、YC、ZC栏输入0、115、0,如图1.71所示,然后按回车键画出一条直线,结果如图1.72所示。

UG创建凸轮教程(图文教程),UG创建凸轮教程,如图,选择,对话框,第145张    UG创建凸轮教程(图文教程),UG创建凸轮教程,如图,选择,对话框,第146张

 图 1.69    图 1.70

UG创建凸轮教程(图文教程),UG创建凸轮教程,如图,选择,对话框,第147张

图 1.71

2. 创建孔特征

    选择菜单中的【插入】/【设计特征】/【孔】命令或在【成型特征】工具栏选择UG创建凸轮教程(图文教程),UG创建凸轮教程,如图,选择,对话框,第13张(孔)图标,出现【孔】对话框,如图1.73所示,在此对话框中选择UG创建凸轮教程(图文教程),UG创建凸轮教程,如图,选择,对话框,第149张(简单)图标,然后系统提示选择孔放置面,在图形区选择如图1.74所示的面为放置面,然后在【视图】工具条选择UG创建凸轮教程(图文教程),UG创建凸轮教程,如图,选择,对话框,第150张(旋转)图标,在图形区将模型旋转至适当角度,选择如图1.75所示的面为通过面,接着在对话框输入参数:【直径】=8,如图1.73所示,最后单击UG创建凸轮教程(图文教程),UG创建凸轮教程,如图,选择,对话框,第41张按钮。

    当单击UG创建凸轮教程(图文教程),UG创建凸轮教程,如图,选择,对话框,第152张按钮后,出现【定位】对话框,如图1.76所示,选择UG创建凸轮教程(图文教程),UG创建凸轮教程,如图,选择,对话框,第153张(点到点)图标,出现【水平参考】对话框,如图1.77所示,在图形区选择如图1.78所示的直线端点,即完成绘制孔,如图1.79所示。

UG创建凸轮教程(图文教程),UG创建凸轮教程,如图,选择,对话框,第154张      UG创建凸轮教程(图文教程),UG创建凸轮教程,如图,选择,对话框,第155张

 图 1.72     图 1.73

UG创建凸轮教程(图文教程),UG创建凸轮教程,如图,选择,对话框,第156张    UG创建凸轮教程(图文教程),UG创建凸轮教程,如图,选择,对话框,第157张    UG创建凸轮教程(图文教程),UG创建凸轮教程,如图,选择,对话框,第158张

 图 1.74    图 1.75   图 1.76

UG创建凸轮教程(图文教程),UG创建凸轮教程,如图,选择,对话框,第79张    UG创建凸轮教程(图文教程),UG创建凸轮教程,如图,选择,对话框,第160张    UG创建凸轮教程(图文教程),UG创建凸轮教程,如图,选择,对话框,第161张

 图 1.77     图 1.78   图 1.79

3. 创建引用特征(环形阵列)

    选择菜单中的【插入】/【关联复制】/【引用】命令或在【特征操作】工具栏选择UG创建凸轮教程(图文教程),UG创建凸轮教程,如图,选择,对话框,第162张(引用特征)图标,出现【引用】对话框,如图1.80所示,单击UG创建凸轮教程(图文教程),UG创建凸轮教程,如图,选择,对话框,第163张按钮,出现【引用】过滤对话框,如图1.81所示,在【引用】的特征列表框中选取特征【UG创建凸轮教程(图文教程),UG创建凸轮教程,如图,选择,对话框,第164张】,然后单击UG创建凸轮教程(图文教程),UG创建凸轮教程,如图,选择,对话框,第41张按钮,出现【引用】参数对话框,如图1.82所示,在【UG创建凸轮教程(图文教程),UG创建凸轮教程,如图,选择,对话框,第166张】选项中选中【一般】单选按钮,在【数字】、【角度】栏分别输入4、90。

UG创建凸轮教程(图文教程),UG创建凸轮教程,如图,选择,对话框,第167张     UG创建凸轮教程(图文教程),UG创建凸轮教程,如图,选择,对话框,第30张    UG创建凸轮教程(图文教程),UG创建凸轮教程,如图,选择,对话框,第169张

 图 1.80     图 1.81      图 1.82

    当输入参数完成后,在对话框中单击UG创建凸轮教程(图文教程),UG创建凸轮教程,如图,选择,对话框,第41张按钮,出现【引用】的回转轴选择对话框,如图1.83所示,单击UG创建凸轮教程(图文教程),UG创建凸轮教程,如图,选择,对话框,第171张按钮,出现【矢量构成】对话框,如图1.84所示,选择UG创建凸轮教程(图文教程),UG创建凸轮教程,如图,选择,对话框,第101张图标,出现【点构造器】对话框,如图1.85所示,在此对话框中单击UG创建凸轮教程(图文教程),UG创建凸轮教程,如图,选择,对话框,第173张按钮,然后单击UG创建凸轮教程(图文教程),UG创建凸轮教程,如图,选择,对话框,第174张按钮。

UG创建凸轮教程(图文教程),UG创建凸轮教程,如图,选择,对话框,第175张      UG创建凸轮教程(图文教程),UG创建凸轮教程,如图,选择,对话框,第176张      UG创建凸轮教程(图文教程),UG创建凸轮教程,如图,选择,对话框,第177张

 图 1.83       图 1.84        图 1.85

系统出现【创建引用】对话框,如图1.86所示,单击UG创建凸轮教程(图文教程),UG创建凸轮教程,如图,选择,对话框,第178张按钮,完成孔的环形阵列,如图1.87所示。

UG创建凸轮教程(图文教程),UG创建凸轮教程,如图,选择,对话框,第179张  UG创建凸轮教程(图文教程),UG创建凸轮教程,如图,选择,对话框,第180张

 图 1.86     图 1.87

免责声明:
1;所有标注为智造资料网zl.fbzzw.cn的内容均为本站所有,版权均属本站所有,若您需要引用、转载,必须注明来源及原文链接即可,如涉及大面积转载,请来信告知,获取《授权协议》。
2;本网站图片,文字之类版权申明,因为网站可以由注册用户自行上传图片或文字,本网站无法鉴别所上传图片或文字的知识版权,如果侵犯,请及时通知我们,本网站将在第一时间及时删除,相关侵权责任均由相应上传用户自行承担。
[complaint:内容投诉]
智造资料网打造智能制造3D图纸下载,在线视频,软件下载,在线问答综合平台 » UG创建凸轮教程(图文教程)