一、连杆主体
1.工作图


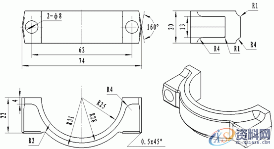
图1
2.产品分析
1)结构分析
本例中的连杆,由于其形状不规则,又含有较多的倒圆角,且各部分的厚度不相同。造型时可按下列步骤进行先画二维曲线再采用拉伸的方法构造基础的实体;考虑到连杆是关于左右和上下对称的,只做1/4的实体即可;拉伸中灵活运用偏置值和起始距离等参数,可以简便地完成造型。
2)构造框图
连杆建模步骤
步骤 | 模型 | 说明 | 步骤 | 模型 | 说明 |
1 | ![]() | 绘制草图曲线 | 2 | ![]() | 拉伸连杆主体 |
3 | ![]() | 拉伸连杆头部 | 4 | ![]() | 拉伸凹槽 |
5 | ![]() | 拉伸凸棱 | 6 | ![]() | 实体倒圆 |
7 | ![]() | 建立拔模斜度 | 8 | ![]() | 镜像实体 |
9 | ![]() | 构造孔特征 |
3.操作步骤
1)绘制二维轮廓
采用草图图标
,绘制下图所示二维轮廓图。
,绘制下图所示二维轮廓图。
图2
2)拉伸连杆主体


图3 图4
单击拉伸命令
,在选择意图对话框中选择“已连&曲线”,鼠标单击连杆主体曲线,在拉伸对话框中设置拉伸参数为:起始0,结束6.5,方式为创建。生成的拉伸实体如图3所示。
,在选择意图对话框中选择“已连&曲线”,鼠标单击连杆主体曲线,在拉伸对话框中设置拉伸参数为:起始0,结束6.5,方式为创建。生成的拉伸实体如图3所示。3)拉伸连杆头部
拉伸的方法和步骤与上面大致相同。在拉伸对话框中设置拉伸参数为:起始0,结束10,方式为求和。生成的拉伸实体如图4所示。
4)构造连杆的凹槽
拉伸的方法和步骤与上面大致相同。在拉伸对话框中设置拉伸参数为:起始3,结束6.5,方式为求差。生成的拉伸实体如图5所示。


图5 图6
5)拉伸凸棱
单击拉伸命令
,在选择意图对话框中选择“单个曲线”,鼠标单击草图曲线中R25的边,在拉伸对话框中设置拉伸参数如下图所示,注意偏置中结束值的正负。生成的拉伸实体如图6所示。
,在选择意图对话框中选择“单个曲线”,鼠标单击草图曲线中R25的边,在拉伸对话框中设置拉伸参数如下图所示,注意偏置中结束值的正负。生成的拉伸实体如图6所示。
图7
采用同样的办法拉伸连杆头部的另外一个凸棱,在拉伸对话框中设置偏置参数为:起始0,结束4。生成的拉伸实体如图8所示。


图8 图9
6)实体倒圆
实体倒圆要按照从大到小的顺序。
选择图标
,在对话框中将“默认半径”的值改为40,并且在实体上选取要倒圆的边,单击“应用”按钮即可。
,在对话框中将“默认半径”的值改为40,并且在实体上选取要倒圆的边,单击“应用”按钮即可。 同样的办法,在对话框中将“默认半径”的值改为25,在实体上选择相应的边。
将将“默认半径”的值改为3.5,选择连杆头部凸棱的边(注意选择顺序),单击“应用”按钮。
同理,输入相应的半径值,将凹槽的各边倒圆角,如图9所示。
7)建立拔模斜度
单击图标
,选择“从固定边缘拔模”图标
,修改自动判断矢量为
,选择拔模的边,在角度栏输入“10”,单击确定结束,结果图10所示。
,选择“从固定边缘拔模”图标
,修改自动判断矢量为
,选择拔模的边,在角度栏输入“10”,单击确定结束,结果图10所示。
图10
8)镜像实体
由于只建立了整个连杆的1/4可以通过左右和上下镜像完成其余部分e
a 建立辅助平面(基准平面):这里我们可以直接使用XY平面和XZ平面为基准平面。
b 选择实例特征图标
,在对话框中选择“镜像体”选项。
,在对话框中选择“镜像体”选项。c 选中需要镜像的实体,单击
确定。
确定。d 选择镜像的基准平面,分别以XY平面和XZ平面为基准平面,镜像实体,再对实体进行布尔运算,得到如图8所示实体。
9)构造孔特征a
10)构造孔特征b 使用孔特征命令设置好孔的参数,定位后得到孔。
11)镜像孔特征b 使用镜像特征镜像孔特征b,得到图1所示实体。
二、连杆接头
1.连杆接头工作图

2 步骤提示
A、抓住关键,构造二维草图
B、通过拉伸完成连杆接头的主体
C、倒角、拔模等操作完成半i实体的构造
D、通过镜像完成整个实体的构造
步骤 | 模型 | 说明 | 步骤 | 模型 | >明 |
1 | ![]() | 绘制草图曲线 | 2 | ![]() | 拉伸 |
3 | ![]() | 拉伸 | 4 | ![]() | 倒角 |
5 | ![]() | 拔模 | 6 | ![]() | 镜像 |
学习设计可联系13712128767罗老师(微信同号)
从零基础到模具设计精英,课程包含CNC数控编程培训、CNC数控机床操作实操、塑胶模具设计培训,
冲压模具设计培训,精雕、ZBrush圆雕培训、Solidworks产品设计培训、pro/E产品设计培训,
纯设计实战,重点是设计理念及设计思维的培养,设计参数的确定,加工经验传授等;
上班学习两不误,欢迎免费试学!地址:东莞市横沥镇新城工业区兴业路121号-潇洒职业培训学校
从零基础到模具设计精英,课程包含CNC数控编程培训、CNC数控机床操作实操、塑胶模具设计培训,
冲压模具设计培训,精雕、ZBrush圆雕培训、Solidworks产品设计培训、pro/E产品设计培训,
纯设计实战,重点是设计理念及设计思维的培养,设计参数的确定,加工经验传授等;
上班学习两不误,欢迎免费试学!地址:东莞市横沥镇新城工业区兴业路121号-潇洒职业培训学校
免责声明:
1;所有标注为智造资料网zl.fbzzw.cn的内容均为本站所有,版权均属本站所有,若您需要引用、转载,必须注明来源及原文链接即可,如涉及大面积转载,请来信告知,获取《授权协议》。
2;本网站图片,文字之类版权申明,因为网站可以由注册用户自行上传图片或文字,本网站无法鉴别所上传图片或文字的知识版权,如果侵犯,请及时通知我们,本网站将在第一时间及时删除,相关侵权责任均由相应上传用户自行承担。
[complaint:内容投诉]
智造资料网打造智能制造3D图纸下载,在线视频,软件下载,在线问答综合平台 » UGNX建模-连杆造型设计技巧解析
1;所有标注为智造资料网zl.fbzzw.cn的内容均为本站所有,版权均属本站所有,若您需要引用、转载,必须注明来源及原文链接即可,如涉及大面积转载,请来信告知,获取《授权协议》。
2;本网站图片,文字之类版权申明,因为网站可以由注册用户自行上传图片或文字,本网站无法鉴别所上传图片或文字的知识版权,如果侵犯,请及时通知我们,本网站将在第一时间及时删除,相关侵权责任均由相应上传用户自行承担。
[complaint:内容投诉]
智造资料网打造智能制造3D图纸下载,在线视频,软件下载,在线问答综合平台 » UGNX建模-连杆造型设计技巧解析
















