Pro/E工程图教程-(16)活塞工程图(图文教程)

导入视图

1 、点击工具栏中【新建】按钮Pro/E工程图教程-(16)活塞工程图(图文教程),Pro/E工程图教程-(16)活塞工程图,教程,第1张,弹出如图1所示的对话框,选择“绘图”按钮,创建模型huosai的工程图,选用gb_a3模板,调入如图2所示的gb_a3图框。

Pro/E工程图教程-(16)活塞工程图(图文教程),Pro/E工程图教程-(16)活塞工程图,教程,第2张

图1绘图的新建

Pro/E工程图教程-(16)活塞工程图(图文教程),Pro/E工程图教程-(16)活塞工程图,教程,第3张

图2 模版的选择

2、选择下拉菜单【插入】→【绘图视图】→【一般…】,弹出如图3所示的“绘图视图”对话框。在“视图类型”选项卡中“模型视图名”选为TOP面;“可见区域”中选中默认设置;在“比例”选项卡中输入合适的比例值;“剖面”中选择“2D截面”;最后完成“视图状态、视图显示、原点、对齐”选项卡的设置,从而完成导向套全剖视图的绘制,如图4所示。

Pro/E工程图教程-(16)活塞工程图(图文教程),Pro/E工程图教程-(16)活塞工程图,教程,第4张

 图3绘图视图设置

 

Pro/E工程图教程-(16)活塞工程图(图文教程),Pro/E工程图教程-(16)活塞工程图,教程,第5张

图4剖视图

3、 选中所插入的全剖主视图,选择下拉菜单【插入】→【绘图视图】→【辅助..】,通过调整如下图5对话框中的各个选项卡来插入A向视图如下图6所示:

Pro/E工程图教程-(16)活塞工程图(图文教程),Pro/E工程图教程-(16)活塞工程图,教程,第6张Pro/E工程图教程-(16)活塞工程图(图文教程),Pro/E工程图教程-(16)活塞工程图,教程,第7张

图5 视图的辅助功能

Pro/E工程图教程-(16)活塞工程图(图文教程),Pro/E工程图教程-(16)活塞工程图,教程,第8张

图6 A方向视图

标注

1、点击工具栏中的标注按钮Pro/E工程图教程-(16)活塞工程图(图文教程),Pro/E工程图教程-(16)活塞工程图,教程,第9张,分别选择所要标注的边或轴线完成活塞长度和宽度方向的尺寸标注,如下图7所示:

Pro/E工程图教程-(16)活塞工程图(图文教程),Pro/E工程图教程-(16)活塞工程图,教程,第10张

图7尺寸标注

2、选择菜单【插入】→【绘图符号】→【定制】命令。系统弹出如8“定制绘图符号”对话框,如图所示,分别调整“一般、分组、可变文本”~的参数设置,从而插入如图9所示的粗糙度符号。

Pro/E工程图教程-(16)活塞工程图(图文教程),Pro/E工程图教程-(16)活塞工程图,教程,第11张

图8表面粗糙度的选择

Pro/E工程图教程-(16)活塞工程图(图文教程),Pro/E工程图教程-(16)活塞工程图,教程,第12张

图9表面粗糙度的建立

3、点击“标注”按钮Pro/E工程图教程-(16)活塞工程图(图文教程),Pro/E工程图教程-(16)活塞工程图,教程,第13张,选中图中圆角、倒角,分别完成耳环圆角和倒角的标注,如下图10所示:

       Pro/E工程图教程-(16)活塞工程图(图文教程),Pro/E工程图教程-(16)活塞工程图,教程,第14张      Pro/E工程图教程-(16)活塞工程图(图文教程),Pro/E工程图教程-(16)活塞工程图,教程,第15张

(a)圆角的标注               (b)倒角的标注

图10 圆角和倒角的标注

4、创建基准平面

(a)选择下拉菜单【插入】→【模型基准】→【平面..】命令。系统弹出下图11所示的“基准”对话框,在此对话框中进行下列操作。

Pro/E工程图教程-(16)活塞工程图(图文教程),Pro/E工程图教程-(16)活塞工程图,教程,第16张

图11基准面的建立

Pro/E工程图教程-(16)活塞工程图(图文教程),Pro/E工程图教程-(16)活塞工程图,教程,第17张

(b)在“基准”对话框中输入基准名称B。

(c)单击该对话框中的“定义”选项组中的“在曲面上”按钮,然后选取图中面作为创建的基准面。

(d)在对话框中的“类型”选项组中按下Pro/E工程图教程-(16)活塞工程图(图文教程),Pro/E工程图教程-(16)活塞工程图,教程,第18张按钮,此时在图中显示基准。

(e)在“放置”选项中选择“在尺寸中..”从而拾取图中直径为46的尺寸。

(f)单击“基准”对话框中“确定”按钮。完成活塞基准的创建,如下图12所示。

 

Pro/E工程图教程-(16)活塞工程图(图文教程),Pro/E工程图教程-(16)活塞工程图,教程,第19张

图12基准面的建立

5、形位公差的标注:

a、选择【插入】→【几何公差..】命令,系统弹出图13所示的“几何公差”对话框。

Pro/E工程图教程-(16)活塞工程图(图文教程),Pro/E工程图教程-(16)活塞工程图,教程,第20张

图13几何公差的选择

b、在“几何公差”对话框左边公差符号区域单击“垂直度”公差符号。

c、定义公差参照,单击“参照”选项组中的“类型”文本框后面的下拉菜单,选取“特征”选项,在系统提示下,选择导向套的特征。.

d、定义公差的位置:单击“放置”选项组后文本框后面的下拉按钮,从弹出的列表中选取“带引线”选项,在弹出的菜单中选择“箭头”命令,完成公差位置的确定。

e、在“基准参照”选项卡中,从下拉菜单列表中选取基准A.

f、在公差值选项卡中,输入公差值0.05。.

g、通过以上即完成了形位公差垂直度的标注,如下图14所示。

Pro/E工程图教程-(16)活塞工程图(图文教程),Pro/E工程图教程-(16)活塞工程图,教程,第21张

图14基准的建立

h、  使用相同方法,完成其他位置处形位公差的标注。

6、点击工具栏中“注释”按钮Pro/E工程图教程-(16)活塞工程图(图文教程),Pro/E工程图教程-(16)活塞工程图,教程,第22张,弹出“菜单管理器”,选择默认设置,完成技术要求和标题栏的填写,如下图15所示。

Pro/E工程图教程-(16)活塞工程图(图文教程),Pro/E工程图教程-(16)活塞工程图,教程,第23张

(a)注释的设置

Pro/E工程图教程-(16)活塞工程图(图文教程),Pro/E工程图教程-(16)活塞工程图,教程,第24张

(b)技术要求的建立

图15注释及其技术要求

7、点击下拉菜单【插入】→【绘图视图】→【一般…】,弹出如图16所示的“绘图视图”对话框,“视图类型”选项中模型视图名选中TOP面;“可见区域”中选中默认设置,在“比例”选项卡中输入合适的比例值,如图17“剖面”中选择“2D截面”通过添加S、Z两剖面,完成杆体的局部剖视图;最后完成“视图状态,视图显示,原点,对齐”的设置,从而完成杆体的含有局部剖视图的主视图,如图18所示:

Pro/E工程图教程-(16)活塞工程图(图文教程),Pro/E工程图教程-(16)活塞工程图,教程,第25张

图16视图的设置

Pro/E工程图教程-(16)活塞工程图(图文教程),Pro/E工程图教程-(16)活塞工程图,教程,第26张

图17剖面的设置

Pro/E工程图教程-(16)活塞工程图(图文教程),Pro/E工程图教程-(16)活塞工程图,教程,第27张

图18B-B的设置

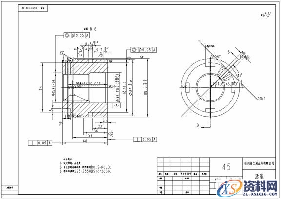
5        通过以上工作,最终完成了导向套的完整工程视图,如图19所示。

Pro/E工程图教程-(16)活塞工程图(图文教程),Pro/E工程图教程-(16)活塞工程图,教程,第28张

图19 活塞的二维图

该文章所属专题:Pro/E工程图教程

免责声明:
1;所有标注为智造资料网zl.fbzzw.cn的内容均为本站所有,版权均属本站所有,若您需要引用、转载,必须注明来源及原文链接即可,如涉及大面积转载,请来信告知,获取《授权协议》。
2;本网站图片,文字之类版权申明,因为网站可以由注册用户自行上传图片或文字,本网站无法鉴别所上传图片或文字的知识版权,如果侵犯,请及时通知我们,本网站将在第一时间及时删除,相关侵权责任均由相应上传用户自行承担。
[complaint:内容投诉]
智造资料网打造智能制造3D图纸下载,在线视频,软件下载,在线问答综合平台 » Pro/E工程图教程-(16)活塞工程图(图文教程)