Pro/E工程图教程-(17)杆体工程图创建案例

7.1 视图导入
(1) 点击【新建】按钮Pro/E工程图教程-(17)杆体工程图创建案例,公差,标注,基准,如图,对话框,第1张,弹出如图1所示的对话框,选择已创建模型ganti和gb_a3的模板,调入如图2所示的工程图图框。
Pro/E工程图教程-(17)杆体工程图创建案例,公差,标注,基准,如图,对话框,第2张
图1 杆体绘图的建立
Pro/E工程图教程-(17)杆体工程图创建案例,公差,标注,基准,如图,对话框,第3张
图2  模版的选择

N95口罩耳带机、N95切片加内置鼻梁一体机、N95口罩机整套现货,预订电话:13018639977

CNC数控编程培训、塑胶模具设计培训,冲压模具设计培训,精雕、ZBrush圆雕培训、Solidworks产品设计培训、pro/E产品设计培训,潇洒职业培训学校线下、线上网络学习方式,随到随学,上班学习两不误,欢迎免费试学!

学习联系李老师电话:13018639977(微信同号)QQ:2033825601

学习地址:东莞市横沥镇新城工业区兴业路121号-潇洒职业培训学校

(2) 点击下拉菜单【插入】→【绘图视图】→【一般…】,弹出如图3所示的“绘图视图”对话框,“视图类型”选项中模型视图名选中TOP面;“可见区域”中选中默认设置,在“比例”选项卡中输入合适的比例值,得到图4如图所示:
Pro/E工程图教程-(17)杆体工程图创建案例,公差,标注,基准,如图,对话框,第4张
图3
Pro/E工程图教程-(17)杆体工程图创建案例,公差,标注,基准,如图,对话框,第5张
图4
7.2 标注
(3) 点击工具栏中“按钮” Pro/E工程图教程-(17)杆体工程图创建案例,公差,标注,基准,如图,对话框,第6张选择要标注的两条边,完成杆体长度和宽度的标注,如下图5所示。.
Pro/E工程图教程-(17)杆体工程图创建案例,公差,标注,基准,如图,对话框,第7张     Pro/E工程图教程-(17)杆体工程图创建案例,公差,标注,基准,如图,对话框,第8张
(a)       (b)
图5 杆体的标注                                 
(4) 选择下拉菜单【插入】→【绘图符号】→【定制..】命令。系统弹出“定制绘图符号”对话框,如图6所示,分别调整“一般、分组、可变文本”的参数设置,从而插入如图7所示的对应不同粗糙度值的粗糙度符号。
Pro/E工程图教程-(17)杆体工程图创建案例,公差,标注,基准,如图,对话框,第9张
 
图6  表面粗糙度符号的选择
Pro/E工程图教程-(17)杆体工程图创建案例,公差,标注,基准,如图,对话框,第10张
图7  表面粗糙度的标注
(5) 点击“标注”按钮Pro/E工程图教程-(17)杆体工程图创建案例,公差,标注,基准,如图,对话框,第11张,选中图中圆角、倒角,分别完成耳环圆角和倒角的标注,如下图8所示:
Pro/E工程图教程-(17)杆体工程图创建案例,公差,标注,基准,如图,对话框,第12张          Pro/E工程图教程-(17)杆体工程图创建案例,公差,标注,基准,如图,对话框,第13张                  Pro/E工程图教程-(17)杆体工程图创建案例,公差,标注,基准,如图,对话框,第14张
图8 圆角的标注
(6) 点击工具栏中“注释”按钮Pro/E工程图教程-(17)杆体工程图创建案例,公差,标注,基准,如图,对话框,第15张,弹出“菜单管理器”,选择默认设置,完成技术要求和标题栏的填写,如下图9所示
Pro/E工程图教程-(17)杆体工程图创建案例,公差,标注,基准,如图,对话框,第16张 Pro/E工程图教程-(17)杆体工程图创建案例,公差,标注,基准,如图,对话框,第17张
图9 注释的定义
(7) 创建基准平面,
a、选择下拉菜单【插入】→【模型基准】→【平面..】命令。系统弹出下图10所示的“基准”对话框,在此对话框中进行下列操作。
Pro/E工程图教程-(17)杆体工程图创建案例,公差,标注,基准,如图,对话框,第18张
图10 基准的选择
b、 在“基准”对话框中输入基准名称A。
c、单击该对话框中的“定义”选项组中的“在曲面上”按钮,然后选取图中FRONT 面作为创建的基准面。
d、 在对话框中的“类型”选项组中按下Pro/E工程图教程-(17)杆体工程图创建案例,公差,标注,基准,如图,对话框,第19张按钮,此时在图中显示基准。
e、在“放置”选项中选择“在尺寸中..”从而拾取图中直径为63的尺寸。
f、单击“基准”对话框中“确定”按钮。完成杆体基准的创建,如下图11所示。
Pro/E工程图教程-(17)杆体工程图创建案例,公差,标注,基准,如图,对话框,第20张
图11 基准的定义
(8) 形位公差的标注:
a、选择【插入】→【几何公差..】命令,系统弹出“几何公差”对话框,图12。
Pro/E工程图教程-(17)杆体工程图创建案例,公差,标注,基准,如图,对话框,第21张
图12 几何公差的选择
b、在“几何公差”对话框左边公差符号区域单击“对称度”公差符号Pro/E工程图教程-(17)杆体工程图创建案例,公差,标注,基准,如图,对话框,第22张
c、定义公差参照,单击“参照”选项组中的“类型”文本框后面的下拉菜单,选取“特征”选项,在系统提示下,选择杆体零件的旋转特征。.
d、 定义公差的位置:单击“放置”选项组后文本框后面的下拉按钮,从弹出的列表中选取“带引线”选项,在弹出的菜单中选择“箭头”命令,然后再次增加参照,完成公差位置的确定。
e、在“基准参照”选项卡中,从下拉菜单列表中选取基准A.
f、 在公差值选项卡中,输入公差值0.05
g、 通过以上即完成了形位公差对称度的标注,如下13图所示。
Pro/E工程图教程-(17)杆体工程图创建案例,公差,标注,基准,如图,对话框,第23张
图13 几何公差的标注
h、使用相同方法,完成其他位置处形位公差标注。
(9) 角度的标注,如图14:
Pro/E工程图教程-(17)杆体工程图创建案例,公差,标注,基准,如图,对话框,第24张
(a) 小角度的标注
 
Pro/E工程图教程-(17)杆体工程图创建案例,公差,标注,基准,如图,对话框,第25张
(b)
图14 角度的标注
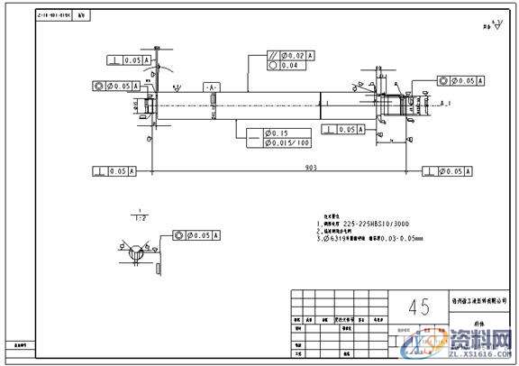
(10) 通过以上工作,最终完成杆体的工程图,如图15所示。
Pro/E工程图教程-(17)杆体工程图创建案例,公差,标注,基准,如图,对话框,第26张
图17  缸体工程图的建立

 

免责声明:
1;所有标注为智造资料网zl.fbzzw.cn的内容均为本站所有,版权均属本站所有,若您需要引用、转载,必须注明来源及原文链接即可,如涉及大面积转载,请来信告知,获取《授权协议》。
2;本网站图片,文字之类版权申明,因为网站可以由注册用户自行上传图片或文字,本网站无法鉴别所上传图片或文字的知识版权,如果侵犯,请及时通知我们,本网站将在第一时间及时删除,相关侵权责任均由相应上传用户自行承担。
[complaint:内容投诉]
智造资料网打造智能制造3D图纸下载,在线视频,软件下载,在线问答综合平台 » Pro/E工程图教程-(17)杆体工程图创建案例