1、什么是钻模?
钻模就是为钻孔而设计的夹具。
2、什么情况下考虑设计钻模?
一般产品批量较多,钻孔数量相对较多,而且孔的位置及精度有较高的要求,零件适合在普通机床加工时,可设计钻模。
使用钻模即保证批量零件孔的位置的准确性、一致性,又避免反复划线、避免因孔的位置及精度有较高的要求需用较高级的机床加工,简约了加工工序,也使操作者加工孔时能够快速无误,从而降低工时,降低生产成本。
3、钻模的基本组成元件
钻模基本元件通常由本体、固定钻套、快换钻套、固定衬套、阶型螺钉、压紧板、压紧螺栓等组成,参见图1.,图2.

图1

图2
4、固定钻套、快换钻套、固定衬套的选用
1) 固定钻套
固定钻套是在用刀具一次就加工到孔尺寸时选用。固定钻套内孔直径与单一钻头直径最大值相同。固定钻套工作图形见图3。

图3
2) 快换钻套
快换钻套是钻孔须多级尺寸完成时选用。例如孔尺寸须通过钻孔、扩孔、铰孔才能完成。各快换钻套内孔直径即分别与钻孔刀具直径、扩孔刀具直径、铰孔刀具直径最大值相同。工作图形见图4。
快换钻套的特点是:可在不旋出阶形螺钉的情况下,可朝刀具旋转的反方向旋转后快速拿出。
快换钻套上平面的削平肩胛作用是:用阶形螺钉的头部直径挡住其旋转,侧面的角度削平作用是:是为使旋转快换钻套后不碰到阶形螺钉的头部直径能快速拿出。

图4
3) 固定衬套
固定衬套是选用快换钻套时作本体的衬垫时选用,其作用是防止本体磨损过快而影响定位精度。固定衬套工作图形见图4。
5、阶形螺钉的选用
阶形螺钉是在使用快换钻套时选用,其作用是通过将快换钻套上的削平肩胛挡住,不让其随刀具旋转,因为在钻孔时,高速钻头旋转有时会带动快换钻套一起旋转,这种情况会损坏钻套,故要挡住快换钻套旋转。
如果选用标准的快换钻套,阶形螺钉大小的选用,及在钻模中的位置,可参照本厂标准《快换钻套》中配套的阶形螺钉。如果自行设计非标快换钻套,设计阶形螺钉在钻模中的位置的原则是:既要保证能挡住快换钻套的旋转,又要使阶形螺钉不拆卸的情况下,快换钻套能旋转后迅速调换。
6、钻模材料的选用
由于钻孔时高硬度刀具高速旋转会损坏本体,且本体形状随产品变化形状各异且较大,如果整体高硬度淬硬的话,加工孔就比较困难。故一般情况下,钻模都采用:本体的材料选用价格低廉的低碳钢,钻孔位置镶嵌高硬度的相对容易加工圆形钻套,以简化工序,降低钻模成本。
a) 本体材料选用:Q235A
b) 钻套材料选用:T10A
7、各种钻套与钻模本体及各相关刀具的公差配合
1)固定钻套外圆与钻模本体孔为过盈配合,配合为H7/r6
2)固定钻套内孔与钻头为间隙配合,固定钻套内孔的的名义尺寸为钻头直径尺寸的最大值,偏差为F8。
3)固定村套外圆与钻模本体孔为过盈配合,配合为H7/r6
4)固定村套内孔与快换钻套外圆为间隙配合,配合为H7/g6
5)快换钻套内孔与钻头为间隙配合,快换钻套内孔有以下几种偏差:
a) 钻孔与扩孔:快换钻套内孔的的名义尺寸为钻头直径尺寸的最大值,偏差为F8。
b)粗铰孔: 快换钻套内孔的的名义尺寸为钻头直径尺寸的最大值,偏差为G7。
c)精铰孔: 快换钻套内孔的的名义尺寸为钻头直径尺寸的最大值,偏差为G6。
8、材料的热处理
由于工具本体已镶嵌高硬度钻套,故工具本体材料不做热处理。由于钻孔时高硬度刀具高速旋转会损坏钻套,各类钻套都采用热处理淬硬60-64HRC。
极个别情况下,由于各钻孔的位置太近,以致于空间距离不够,无法镶嵌钻套,且零件形状还较小,可考虑本体整体淬硬。
9、钻模与零件的定位
钻模一般与零件的内、外圆或平面定位,所选用的零件定位面要有一定的尺寸精度,才能保证各孔位的正确。如果所选用的定位面是未注公差,就必须增加定位面的工艺尺寸偏差。
在情况允许下,尽量使钻模钻孔平面紧贴被钻孔平面,以避免由于钻头在刚钻入平面的时候由于导向不好,容易产生钻孔偏斜。有时切削产生的铁屑会夹在两平面之间出不来,产生高温损坏零件及影响切削。见图5。
为使钻模安装方便,钻模定位面与零件定位面为间隙配合,单边间隙保持在0.03~0.08mm之间,一般考虑孔的尺寸及形位公差精度较高情况下,采用较小的间隙,否则可用较大的间隙。

图5
10、图面上钻孔位主要形位公差的选用
图面上各个钻孔位须在相关要素上标注形位公差。 一般情况下钻孔相对定位基准面、各孔间距离、各孔间角度、各孔心距都须标注位置公差。标注位置公差时,须在各相关所需控制的尺寸上打上理论正确尺寸所用的框子,如图6中的¢340、¢135、30°、45°等等,注意,这些尺寸不附加公差,不是没有公差要求,而是由给定的位置度公差框内数值控制,具体见图6。位置公差的数值我们一般取零件公差的1/2-1/3,如果是未注公差,考虑到零件的互换性、精确性,我们给与适当的位置公差,以避免零件的粗制滥造。

图6
11、钻模与零件的夹紧
钻模与零件都要在夹紧的情况下才可加工孔,可根据实际情况加以设计压紧螺栓、压紧板,见图2。有时车间机床上有提供压板螺栓,在压紧零件的同时也可压紧钻模,可不设计压紧工具。
12、钻模的划线缺口
使用钻模时,除了与零件定位外,为了找准孔的方向和位置,往往还要设计对线缺口,对线缺口对准零件上的中心十字线,或对准有特殊要求线,尤其是孔的位置与零件上的其它要素(或轴线)非对称时,特别是轴类零件,必须有对线缺口。为方便使用者看清楚对线缺口与中心十字线重合,将对线缺口厚度减薄至3-5毫米,缺口宽度开阔至30毫米左右。
13、钻模起吊螺孔的考虑
出于安全考虑,目前车间规定, 搬动20公斤以上物件应该使用起吊设备。所以我们在设计工具中,一定要设计起吊螺孔,即使重量较轻的工具,也可设计两个小螺孔,可方便安装小手柄(或车间随处可见的小螺栓)之类的,可当操作者手工搬动工具时握柄。目前工具上配置的起吊螺钉为国家标准GB825-76《吊环螺钉》。
设计起吊螺孔时时须考虑:
1) 须按照工具的重量来选用螺孔大小。
2) 须按照工具使用时的方向来设计起吊螺孔的位置。即考虑工具是平吊还是侧吊,起吊螺孔是设计在工具平面还是侧面,须按照实际使用情况决定。见图7。
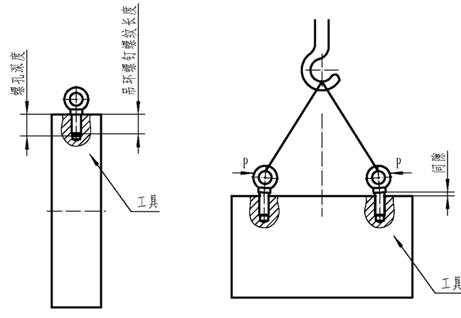
3)起吊螺孔深度须足够深,以能安装吊环螺钉的螺纹部分为原则,并使吊环螺钉的肩胛平面紧密贴紧工具平面,这是安全使用吊环螺钉的保证,否则会由于空隙大而产生弯曲剪切力。见图8。

图7

平吊 侧吊
图8
1;所有标注为智造资料网zl.fbzzw.cn的内容均为本站所有,版权均属本站所有,若您需要引用、转载,必须注明来源及原文链接即可,如涉及大面积转载,请来信告知,获取《授权协议》。
2;本网站图片,文字之类版权申明,因为网站可以由注册用户自行上传图片或文字,本网站无法鉴别所上传图片或文字的知识版权,如果侵犯,请及时通知我们,本网站将在第一时间及时删除,相关侵权责任均由相应上传用户自行承担。
[complaint:内容投诉]
智造资料网打造智能制造3D图纸下载,在线视频,软件下载,在线问答综合平台 » 钻模设计知识(图文教程)

