直流电机的工作原理(图文教程)

一 、直流电机的用途

    直流电动机的优点:

1 调速范围广,易于平滑调节

2 过载、启动、制动转矩大

3 易于控制,可靠性高

4 调速时的能量损耗较小

    缺点:换向困难,维修比较麻烦,制造成本高(与相同功率的交流异步电机比较。

直流电机的工作原理(图文教程),直流电机的工作原理,教程,第1张

    应用:机床方面的应用:龙门刨床、导轨磨床、龙门铣床等设备的工作驱动电机,导轨磨床、镗床、铣床等设备的主轴电机;

    轧钢机、电车、电气铁道牵引、造纸、纺织拖动;

    直流发电机:用作电解、电镀、电冶炼、充电、交流发电机励磁等的直流电源。

二、直流电机的工作原理

    原理:任何电机的工作原理都是建立在电磁感应和电磁力这个基础上。

1、直流电机的工作原理

工作原理:导体在磁场中运动时,导体中会感应出电势e; e=B×l×v;

B:磁密

L:导体长度;

V:导体与磁场的相对速度。

    正方向:用右手定则判断。电势e正方向表示电位升高的方向,与U相反。如果同一元件上e和U正方向相同时,e= -U。

直流电机的工作原理(图文教程),直流电机的工作原理,教程,第2张直流电机的工作原理(图文教程),直流电机的工作原理,教程,第3张

理解:电磁感应原理的变形(变化的磁通产生感应电动势)

3、直流电动机的工作原理图。

(1)构成:

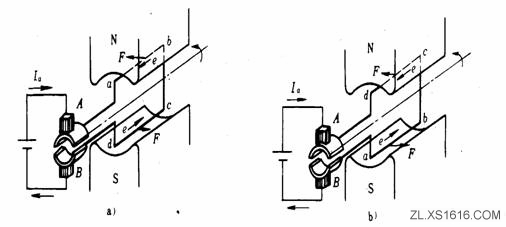
    磁场:图中 N和 S是一对静止的磁极,用以产生磁场,其磁感应强度沿圆周为正弦分布。

    励磁绕组—— 容量较小的发电机是用永久磁铁做磁极的。容量较大的发电机的磁场是由直流电流通过绕在磁极铁心上的绕组产生的。用来形成N极和S极的绕组称为励磁绕组,励磁绕组中的电流称为励磁电流If。

    电枢绕组:在N极和 S极之间,有一个能绕轴旋转的圆柱形铁心,其上紧绕着一个线圈称为电枢绕组(图中只画出一匝线圈),电枢绕组中的电流称为电枢电流Ia。

    换向器:电枢绕组两端分别接在两个相互绝缘而和绕组同轴旋转的半圆形铜片——换向片上,组成一个换向器。换向器上压着固定不动的炭质电刷。

    电枢:铁心、电枢绕组和换向器所组成的旋转部分称为电枢。

直流电机的工作原理(图文教程),直流电机的工作原理,教程,第4张

    电动机向负载输出机械功率的同时,却向电动机输入电功率,电动机起着将电能转换为机械能的作用。

    能量转换:

    电能->电磁转矩->负载(机械能)

3、电机的结构要求:

1 电磁要求: 产生磁场,感应出电动势,通过电流,产生电磁转矩

2 机械要求:传递转矩,保持坚固稳定,冷却的要求,检修,运行可靠。

直流电机的工作原理(图文教程),直流电机的工作原理,教程,第5张

一)定子

    定子的作用是产生磁场和作为电机机械支撑。它由主磁极、换向磁极、电刷、机座、端盖和轴承等组成

二)转子

    转子又称电枢,是电机的旋转部分。它由电枢铁心、绕组、换向器等组成。

三)铭牌和额定值

    为了使电机安全而有效地运行,制造厂对电机的工作条件都加以技术规定。按照规定的工作条件进行运行的状态叫做额定工作状态。电机在额定工作时的各种技术数据叫做额定值,一般加下标 e表示。这些额定值都列在电机的铭牌上,使用电机前,应熟悉铭牌。使用中的实际值,一般不应超过铭牌所规定的额定值。

(一)型号:它表示电机的类别。例如:Z2--12

Z:直流;2:设计序号;1:铁心长度;2:机座号

(二)额定电流Ie:指电源输入到电动机的允许电流。

(三)额定电压Ue:指输入到电动机上的允许电压。

(四)额定转速ne: 这是指电机在额定工作状态时,应达到的转速。

(五)额定功率(额定容量) Pe:指在额定电压、额定电流和额定转速下,电动机轴上输出的机械功率Pe=Ue×Ie×ηe

(六)额定效率ηe:额定功率与输入功率之比,称为电机的额定效率,即ηe=(额定功率/输入功率)×100 %

直流电机的励磁方式

    按励磁方式不同,电机可分为

(一)他励直流电机 电枢和励磁绕组由两个独立的直流电源供电。

(二)并励直流电机 电枢和励磁绕组并联后由一个独立的直流电源供电。

(三)串励直流电机 电枢和励磁绕组串联后由一个独立的直流电源

供电

(四)复励直流电机 复励电机有两个绕组,一个并励绕组,一个串励绕组,并励绕组和电枢并联,和串励绕组串联后由一个独立的直流电源供电。

直流电机的工作原理(图文教程),直流电机的工作原理,教程,第6张

直流电机调速特性

一)直流电机的转速公式:

直流电机的工作原理(图文教程),直流电机的工作原理,教程,第7张

直流电机的工作原理(图文教程),直流电机的工作原理,教程,第8张:电机磁通量,与励磁电流有关;

直流电机的工作原理(图文教程),直流电机的工作原理,教程,第9张:电枢回路电阻;

直流电机的工作原理(图文教程),直流电机的工作原理,教程,第10张:电机的扭矩;

直流电机的工作原理(图文教程),直流电机的工作原理,教程,第11张:电枢电压;

问题:直流电机调速的方式有几种?

二)直流电机的机械特性

直流电机的工作原理(图文教程),直流电机的工作原理,教程,第12张

直流电机的工作原理(图文教程),直流电机的工作原理,教程,第13张

    目前我们使用的直流调速器主要通过上述哪些方式进行调速?

    你所知道的哪些设备是采用这种方式进行启动的?为什么要采用这种启动方式?有什么好处?

直流电机的工作原理(图文教程),直流电机的工作原理,教程,第14张

三)他励直流电机的能耗制动:

直流电机的工作原理(图文教程),直流电机的工作原理,教程,第15张

直流调速器基本原理功能

一、直流电机调速器的工作原理

    4Q系列三相交流电源电枢回路控制框图:

直流电机的工作原理(图文教程),直流电机的工作原理,教程,第16张

    通过对大功率晶闸管的导通角的控制,将交流电整流为所需的直流电,提供给直流电动机使用;上图为三相全桥整流,4Q(4象限运行)动力部分基本原理图;可实现回馈制动功能;

    单相交流电源供电原理与上图基本相同,上图中减少一对晶闸管即可;(单相供电主要应用于小功率驱动器)

    1Q系列三相交流电源电枢回路控制框图:

直流电机的工作原理(图文教程),直流电机的工作原理,教程,第17张

    上图为三相全桥整流,1Q(1)象限运行)动力部分基本原理图;(与4Q相比较,j减少使用6只晶闸管);没有回馈制动功能;

直流电机的工作原理(图文教程),直流电机的工作原理,教程,第18张

    励磁回路控制原理图,通过控制两只晶闸管的导通角,可以控制输出的直流电压;

    直流调速器从控制核心的角度分为:模拟控制和数字控制;

    模拟式直流调速器的特点:电路简单,价格较为便宜,性价比较好,但参数可调整的较少,调整参数不直观,更多的凭经验办事,且无法直观了解调速器的运行状态;

    数字式直流调速器的特点:功能强大,价格较同规格的模拟式产品贵,参数调整较为方便、故障诊断功能强大;调速稳定性好,不会因为时间长而发生信号漂移的问题;

    直流调速器主要以调节上述两个指标为整个控制目标,(在选型时可根据需要选择是否带励磁控制功能;)

调速的基本原则:

A、在额定转速下,以调节电枢电压的目标;(在该速度段,电机可输出最大的扭矩)

B、 当直流电动机需要运行在高于额定转速情况时,设置电枢电压上升到设定的最大值后,通过减少励磁电流来达到提高转速的目的;(在该速度段,电机的最大输出扭矩随转速的提升而下降)

免责声明:
1;所有标注为智造资料网zl.fbzzw.cn的内容均为本站所有,版权均属本站所有,若您需要引用、转载,必须注明来源及原文链接即可,如涉及大面积转载,请来信告知,获取《授权协议》。
2;本网站图片,文字之类版权申明,因为网站可以由注册用户自行上传图片或文字,本网站无法鉴别所上传图片或文字的知识版权,如果侵犯,请及时通知我们,本网站将在第一时间及时删除,相关侵权责任均由相应上传用户自行承担。
[complaint:内容投诉]
智造资料网打造智能制造3D图纸下载,在线视频,软件下载,在线问答综合平台 » 直流电机的工作原理(图文教程)