模具设计指南-各种模具类型的报价方法

模具报价
    模具报价或模具订料,系指模具设计和制造前的准备工作。根据客户提供的胶件报价(参考)资料或正式胶件资料,确定胶件在模具中的位置和数量,以及模坯和模料的尺寸、材料。
4.1 模具类型
    注射模具类型依据模具基本结构分为两类:一类是二板模也称大水口模;另一类是三板模也称细水口模。其它特殊结构的模具,也是在上述两种类型的基础上改变,如哈夫模、热流道模、双色模等。所有模具按固定在注射设备上的需要,又有工字模和直身模之分;通常模具宽度尺寸小于等于300mm,选择工字模如图4.1.1所示;宽度尺寸大于300mm,选择直身模如图4.1.2所示。
模具设计指南-各种模具类型的报价方法,模具设计,模具,第1张
4.1.1 二板模(大水口模)
    二板模是指那些能从分模面分开成前、后两半模的模具。二板模常见类型如下图:
模具设计指南-各种模具类型的报价方法,模具设计,模具,第2张

N95口罩机现货预订电话:13018639977

CNC数控编程培训、塑胶模具设计培训,冲压模具设计培训,精雕、ZBrush圆雕培训、Solidworks产品设计培训、pro/E产品设计培训,潇洒职业培训学校线下、线上网络学习方式,随到随学,上班学习两不误,欢迎免费试学!

学习联系李老师电话:13018639977(微信同号)QQ:2033825601

学习地址:东莞市横沥镇新城工业区兴业路121号-潇洒职业培训学校

4.1.2 三板模(细水口模)
    三板模主要由三个部分或模板组成,开模后,各模板之间相隔一段距离,胶件从形成分模面的两块模板之空间距离落下,浇道则从另一空间距离落下(这是对冷流道模具来讲),这种把胶件与浇道分隔开的模具称三板模。三板模如图4.1.7所示,其开模要求为:
    D为模具中最长入浇道值,A=D+E+(10~15mm),并且,A/110mm(手横向取浇道间距);
    (2) B+C=A+2mm,通常取C=10~12mm。
模具设计指南-各种模具类型的报价方法,模具设计,模具,第3张

 

4.2 报价图的绘制及订料
    模具报价资料有报价图和订料单;报价图也是模具最初的设计方案,它为模具订料提供参考说明。
4.2.1 绘制报价图
    非通框模具报价图如图4.2.1 图4.2.2所示。
模具设计指南-各种模具类型的报价方法,模具设计,模具,第4张
    注明:
(1)模具因行位或其它特殊结构使得模框开槽,这时模具不应制作通框。
模具设计指南-各种模具类型的报价方法,模具设计,模具,第5张
(2)线切割用料图中,料边距离f=30mm,       e=5~10mm。
(3)由于行位引导伸长,所以边钉需加长。
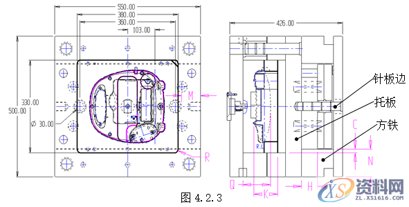
    通框模具报价图如图4.2.3 图4.2.4所示。
模具设计指南-各种模具类型的报价方法,模具设计,模具,第6张
 注明:
(1)在模具结构允许的条件下,方铁宽度加宽 (N值加大),提高托板强度,使C=5~15mm。
(2)模具(宽X高)为/450X450mm 时:当模宽<550mm,增加两个针板边;当模宽/550mm时,增加四个针板边。
(3)因有吊环螺钉孔,针板边到边框距离M/40mm。
(4)模具精框角位R值:当框深 1~50mm,R=13mm;当框深 51~100mm,R=16.5mm。
模具设计指南-各种模具类型的报价方法,模具设计,模具,第7张
    绘制报价图应反映模具的以下几方面:
(1)依据模腔数要求,进行胶件排位(详见5.1节)。
(2)确定胶件入浇形式,选择模具类型,如二板模或三板模。
 (3)绘出模具机构的大体形状及位置要求,如行位斜度、行出距离及锁紧机构等。
 (4)选定方铁高度,根据胶件各部位脱出后模型腔所需最大长度,使得H/胶件脱模最大长度+10mm顶位空间,如图4.2.3所示。
 (5)绘出模具前、后模最大料厚要求如图4.2.3所示,前模厚Q,后模厚K。
(6)适当调整模具外形尺寸(宽X高X厚),使模具能在最经济(较小)的注射设备上生产。
4.2.2 订料
    订料是在已有报价图的基础上,绘制模坯简图,填写订料单,如图4.2.5 图4.2.6所示。
模具设计指南-各种模具类型的报价方法,模具设计,模具,第8张
 
 
模具设计指南-各种模具类型的报价方法,模具设计,模具,第9张
    坯简图和订料单的制作需注意以下几点:
(1)为使模坯简图和订料单传送(FAX)清楚,简图和料单中的数值(除特殊值外)以整数表示。
(2)模坯简图只反映模坯制作公司所做的内容,报价图中其它结构内容都须删去。
(3)模具前、后模型腔板(如图4.2.6所示,板4、板5),须注明开精框或粗框,及通框分中或非通框分中,非通框分中还须有深度值;对加工非对称框时,简图中必须详细绘出注明。
(4)拉令(吊环孔),对型腔模板厚/100mm,外形/400X400mm,注为“十字公制”——四边框中间位制作吊环孔;厚为<100mm,外形<400X400mm,注为“公制”——只在长度方向两边中间位制作吊环孔。
(5)模具镶件(如图4.2.6所示模镶件、呵镶件、呵中镶件)的料厚,应预留加工余量,在报价图(如图4.2.3所示,料厚Q、K值)厚度尺寸上加厚1~2mm;另外,所订镶件钢料需注明“锣磨正曲尺”。
(6)选择模具钢料应前模硬度高于后模,前、后模硬度相差HRC5度以上;当模具钢料需淬火处理时,选用M310或S136。

 

4.2.3 模具材料选用
    现本公司常选择的钢材厂家为“利昌五金机械钢材”;常用模具材料如下表:

材料牌号
出厂硬度
适用模具
适用塑料
热处理
备注
M238
HRC30~34
需抛光的前模、
前模镶件
ABS、PS、
PE、PP、PA
淬火至HRC54
不耐腐蚀
718S
HRC31~36
火焰加硬至
HRC52
M238H
HRC33~41
需抛光的前模、前模镶件
ABS、PS、
PE、PP
预加硬、
不须淬火
718H
HRC35~41
M202
HRC29~33
(大模)前模、后模、镶件、行位
淬火至HRC54
MUP
HRC28~34
M310
退火£HRC20
镜面模、前模、后模
PC、PVC、
PMMA、POM、
TPE、TPU
淬火至HRC57
耐腐蚀、透明件
S136
退火£HRC18
淬火至HRC54
M300
HRC31~35
镜面模、前模、后模
淬火至HRC48
S136H
HRC31~36
预加硬、
不须淬火
黄牌钢
HB170~220
(大模)后模、模板、后模镶件 (含模镶件、呵镶件)
ABS、PS、
PE、PP、PA
 
不耐腐蚀
2738H
HRC32~38
(小模)前模、镶件、行位
预加硬、
不须淬火
2316VOD
HRC35~39
需抛光的前模、后模、镶件、行位
PC、PVC、
PMMA、POM、
TPE、TPU
淬火至HRC48
耐腐蚀
2316ESR
HRC27~35
需纹面的前模、后模、镶件、行位
2311
HRC29~35
(大模)前模、后模、镶件、行位
ABS、PS、
PE、PP
火焰加硬至
HRC52
不耐腐蚀
K460
退火£HRC20
淬火至HRC64
NAK55
HRC40~43
后模、镶件、行位
预加硬、
不须淬火
NAK80
HRC40~43
前模、后模、镶件、行位
ABS、PS、
PE、PP
预加硬、
不须淬火
PAK90
HRC32~36
镜面模、前模、后模
PC、PVC、
PMMA、POM、
TPE、TPU
预加硬、
不须淬火
耐腐蚀、透明件
注:(1)大模指模坯(宽X高)大于250X350mm;
    (2)氮化处理除不锈钢不宜外(如M310、S136、M300、S136H、2316VOD、2316ESR、
       PAK90),其它钢料均可氮化处理,氮化后表面硬度达HRC59。
免责声明:
1;所有标注为智造资料网zl.fbzzw.cn的内容均为本站所有,版权均属本站所有,若您需要引用、转载,必须注明来源及原文链接即可,如涉及大面积转载,请来信告知,获取《授权协议》。
2;本网站图片,文字之类版权申明,因为网站可以由注册用户自行上传图片或文字,本网站无法鉴别所上传图片或文字的知识版权,如果侵犯,请及时通知我们,本网站将在第一时间及时删除,相关侵权责任均由相应上传用户自行承担。
[complaint:内容投诉]
智造资料网打造智能制造3D图纸下载,在线视频,软件下载,在线问答综合平台 » 模具设计指南-各种模具类型的报价方法