塑胶模具设计-先复位机构设计

為了保証当模具閉合時,頂出系統能回到初始位置,以便開始下一個循环,必須設置先復位裝置,一般模具通常情況下采用彈簧復位。

塑胶模具设计-先复位机构设计,模具设计,塑胶,机构,设计,第1张

1)彈簧長度計算:
    彈簧總長=頂出高度x3.
    彈簧空間=彈簧總長x80%(按預壓20%算).   
    当彈簧空間長度達到150mm,彈簧內要加      
    一支扶針,如圖示:
塑胶模具设计-先复位机构设计,模具设计,塑胶,机构,设计,第2张塑胶模具设计-先复位机构设计,模具设计,塑胶,机构,设计,第3张塑胶模具设计-先复位机构设计,模具设计,塑胶,机构,设计,第4张

 

2)復位彈簧統一選用公制黄彈簧,其常用規格有:ø 25﹑ø30﹑ø35﹑ø50﹑ø60。

N95口罩机单工序、整套现货,预订电话:13018639977

CNC数控编程培训、塑胶模具设计培训,冲压模具设计培训,精雕、ZBrush圆雕培训、Solidworks产品设计培训、pro/E产品设计培训,潇洒职业培训学校线下、线上网络学习方式,随到随学,上班学习两不误,欢迎免费试学!

学习联系李老师电话:13018639977(微信同号)QQ:2033825601

学习地址:东莞市横沥镇新城工业区兴业路121号-潇洒职业培训学校

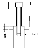
3)彈簧孔大小,其尺寸標注如圖﹕
塑胶模具设计-先复位机构设计,模具设计,塑胶,机构,设计,第5张
      D=d+2. (d為彈簧外徑)
    標注孔深H時﹐以頂点標注。
    模胚宽度250以下,一般选用两根弹弓,宽度250的模胚,根据产品外形面积大小选择2根或4根弹弓。宽度超过250选用4根或以上的弹弓。确定弹弓位置需注意:
    弹弓孔与模胚边最最小距离为15.0mm,与回针的最小距离为10MM,同时,弹弓孔不得与吊环孔螺丝等干涉。
    否则,需调整。
    当行位下有直頂﹐頂針等頂出機構時﹐為防止在合模過程中發生碰撞﹐損壞模具,應設置先復位機構﹐先復位機構的基本結構見圖﹕
塑胶模具设计-先复位机构设计,模具设计,塑胶,机构,设计,第6张

 

免责声明:
1;所有标注为智造资料网zl.fbzzw.cn的内容均为本站所有,版权均属本站所有,若您需要引用、转载,必须注明来源及原文链接即可,如涉及大面积转载,请来信告知,获取《授权协议》。
2;本网站图片,文字之类版权申明,因为网站可以由注册用户自行上传图片或文字,本网站无法鉴别所上传图片或文字的知识版权,如果侵犯,请及时通知我们,本网站将在第一时间及时删除,相关侵权责任均由相应上传用户自行承担。
[complaint:内容投诉]
智造资料网打造智能制造3D图纸下载,在线视频,软件下载,在线问答综合平台 » 塑胶模具设计-先复位机构设计