减速器装配图的画法(图文教程)

    减速器在原动机和工作机或执行机构之间起匹配转速和传递转矩的作用,在现代机械中应用极为广泛。对于机械制图初学者及机械专业的学生来说,这是最典型练习实例,它虽然小巧 ,却要综合用到机械领域各种知识。

1、首先,看一下减速器的立体效果:

减速器装配图的画法(图文教程),减速器装配图的画法,装配图,画法,教程,第1张

减速器主要由齿轮、轴、轴承、箱体及其附件所组成:

减速器装配图的画法(图文教程),减速器装配图的画法,装配图,画法,教程,第2张

减速器装配图的画法(图文教程),减速器装配图的画法,装配图,画法,教程,第3张

减速器装配图的画法(图文教程),减速器装配图的画法,装配图,画法,教程,第4张

2.根据传动方案,确定绘图比例:如果是手绘,一般先要根据图幅大小选择合适的比例,如果是计算机辅助绘图,一般先按1:1,后再作调整。

3. 根据表达方案、画主要基准线:

减速器装配图的画法(图文教程),减速器装配图的画法,装配图,画法,教程,第5张

4. 画主要装配干线,逐次向外扩张,画出机体与机盖:

减速器装配图的画法(图文教程),减速器装配图的画法,装配图,画法,教程,第6张

减速器装配图的画法(图文教程),减速器装配图的画法,装配图,画法,教程,第7张

5. 画出齿轮及齿轮轴:

齿轮及齿轮轴根据所计算的齿轮参数绘制,

减速器装配图的画法(图文教程),减速器装配图的画法,装配图,画法,教程,第8张

6. 画出轴承、轴承端盖、挡油环、轴套及调整环:

轴承根据所选轴承的标准画,轴承端盖、挡油环、轴套及调整环根据减速器装配图的实际结构画

减速器装配图的画法(图文教程),减速器装配图的画法,装配图,画法,教程,第9张

7. 画出密封圈:

减速器装配图的画法(图文教程),减速器装配图的画法,装配图,画法,教程,第10张

8. 画出螺栓、销:

查标准,根据所选螺栓及销的标准绘制

减速器装配图的画法(图文教程),减速器装配图的画法,装配图,画法,教程,第11张

9. 画出油塞:

根据油塞标准绘制

减速器装配图的画法(图文教程),减速器装配图的画法,装配图,画法,教程,第12张

10. 画出油标:

根据油塞标准绘制

减速器装配图的画法(图文教程),减速器装配图的画法,装配图,画法,教程,第13张

11. 画出视孔盖

减速器装配图的画法(图文教程),减速器装配图的画法,装配图,画法,教程,第14张

12. 标注尺寸:

1)标注装配尺寸,包括配合尺寸(如齿轮与轴的配合尺寸,轴与轴承的配合尺寸,轴承与箱体的配合尺寸)和相对位置尺寸(如两轴的中心距尺寸,中心面与到底面高度)

2)标注外形尺寸,表示出机器的总体长、宽、高

3)安装尺寸,如地脚螺栓孔的大小,地脚螺栓孔的中心距,输入轴的直径及长度,输出轴直径及长度等等

减速器装配图的画法(图文教程),减速器装配图的画法,装配图,画法,教程,第15张

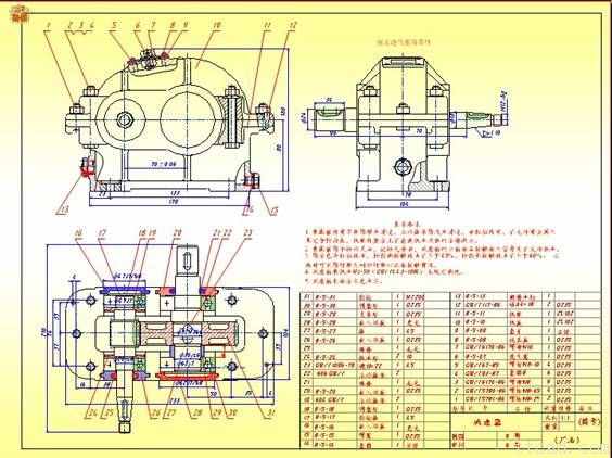
13. 编序号、填写明细表、标题栏和技术要求

减速器装配图的画法(图文教程),减速器装配图的画法,装配图,画法,教程,第16张

14.细节处理

减速器装配图的画法(图文教程),减速器装配图的画法,装配图,画法,教程,第17张

免责声明:
1;所有标注为智造资料网zl.fbzzw.cn的内容均为本站所有,版权均属本站所有,若您需要引用、转载,必须注明来源及原文链接即可,如涉及大面积转载,请来信告知,获取《授权协议》。
2;本网站图片,文字之类版权申明,因为网站可以由注册用户自行上传图片或文字,本网站无法鉴别所上传图片或文字的知识版权,如果侵犯,请及时通知我们,本网站将在第一时间及时删除,相关侵权责任均由相应上传用户自行承担。
[complaint:内容投诉]
智造资料网打造智能制造3D图纸下载,在线视频,软件下载,在线问答综合平台 » 减速器装配图的画法(图文教程)