轴承套零件的数控车加工工艺分析(图文教程)

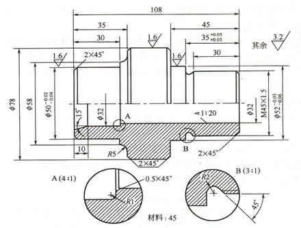
    如图30为典型轴套类零件,该零件材料为45钢,无热处理和硬度要求,试对该零件进行数控车削工艺分析(单件小批量生产)。

(1)零件图工艺分析

    该零件表面由内外圆柱面、内圆锥面、顺圆弧、逆圆弧及外螺纹等表面组成,其中多个直径尺寸与轴向尺寸有较高的尺寸精度和表面粗糙度要求。零件图尺寸标注完整,符合数控加工尺寸标注要求;轮廓描述清楚完整;零件材料为45钢,加工切削性能较好,无热处理和硬度要求。

通过上述分析,采用以下几点工艺措施。

①对图样上带公差的尺寸,因公差值较小,故编程时不必取平均值,而取基本尺寸即可。

②左右端面均为多个尺寸的设计基准,相应工序加工前,应该先将左右端面车出来。

③内孔尺寸较小,镗1:20锥孔与镗φ32孔及150锥面时需掉头装夹。

轴承套零件的数控车加工工艺分析(图文教程),轴承套零件的数控车加工工艺分析,零件,加工,第1张

图30  轴承套零件

(2)选择设备

    根据被加工零件的外形和材料等条件,选用CJK6240数控车床

(3)确定零件的定位基准和装夹方式

①内孔加工

    定位基准:内孔加工时以外圆定位;

    装夹方式:用三爪自动定心卡盘夹紧。

②外轮廓加工

    定位基准:确定零件轴线为定位基准;

    装夹方式:加工外轮廓时,为保证一次安装加工出全部外轮廓,需要设一圆锥心轴装置(见图31双点划线部分),用三爪卡盘夹持心轴左端,心轴右端留有中心孔并用尾座顶尖顶紧以提高工艺系统的刚性。

(4)确定加工顺序及进给路线

    加工顺序的确定按由内到外、由粗到精、由近到远的原则确定,在一次装夹中尽可能加工出较多的工件表面。结合本零件的结构特征,可先加工内孔各表面,然后加工外轮廓表面。由于该零件为单件小批量生产,走刀路线设计不必考虑最短进给路线或最短空行程路线,外轮廓表面车削走刀路线可沿零件轮廓顺序进行(见图32)。

(5)刀具选择

    将所选定的刀具参数填入表11轴承套数控加工刀具卡片中,以便于编程和操作管理。注意:车削外轮廓时,为防止副后刀面与工件表面发生干涉,应选择较大的副偏角,必要时可作图检验。本例中选κ轴承套零件的数控车加工工艺分析(图文教程),轴承套零件的数控车加工工艺分析,零件,加工,第2张=55轴承套零件的数控车加工工艺分析(图文教程),轴承套零件的数控车加工工艺分析,零件,加工,第3张

轴承套零件的数控车加工工艺分析(图文教程),轴承套零件的数控车加工工艺分析,零件,加工,第4张

轴承套零件的数控车加工工艺分析(图文教程),轴承套零件的数控车加工工艺分析,零件,加工,第5张

图31  外轮廓车削装夹方案

图32  外轮廓加工走刀路线

表11  轴承套数控加工刀具卡片

产品名称或代号

×××

零件名称

轴承套

零件图号

×××

序号

刀具号

刀具规格名称

数量

加工表面

备注

1

T01

450硬质合金端面车刀

1

车端面

 

2

T02

φ5㎜中心钻

1

钻φ5㎜中心孔

 

3

T03

φ26㎜钻头

1

钻底孔

 

4

T04

镗刀

1

镗内孔各表面

 

5

T05

930右手偏刀

1

从右至左车外表面

 

6

T06

930左手偏刀

1

从左至右车外表面

 

7

T07

600外螺纹车刀

1

车M45螺纹

 

编制

×××

审核

×××

批准

×××

年 月  日

共 页

第  页

                

(6)切削用量选择

    根据被加工表面质量要求、刀具材料和工件材料,参考切削用量手册或有关资料选取切削速度与每转进给量,然后利用公式v c=πdn/1000和vf = nf,计算主轴转速与进给速度(计算过程略),计算结果填入表15工序卡中。

    背吃刀量的选择因粗、精加工而有所不同。粗加工时,在工艺系统刚性和机床功率允许的情况下,尽可能取较大的背吃刀量,以减少进给次数;精加工时,为保证零件表面粗糙度要求,背吃刀量一般取0.1~0.4㎜较为合适。

(7)数控加工工艺卡片拟订

    将前面分析的各项内容综合成表12所示的数控加工工艺卡片。

表12  轴承套数控加工工艺卡片

单位名称

×××

产品名称或代号

零件名称

零件图号

×××

轴承套

×××

工序号

程序编号

夹具名称

使用设备

车间

001

×××

三爪卡盘和自制心轴

CJK6240数控车床

数控中心

工步号

工步内容

(尺寸单位 ㎜)

刀具号

刀具、刀柄规格

/ ㎜

主轴转速

/r.min轴承套零件的数控车加工工艺分析(图文教程),轴承套零件的数控车加工工艺分析,零件,加工,第6张

进给速度

/㎜.min轴承套零件的数控车加工工艺分析(图文教程),轴承套零件的数控车加工工艺分析,零件,加工,第7张

背吃刀量

/㎜

备注

1

平端面

T01

25×25

320

 

1

手动

2

钻φ5中心孔

T02

φ5

950

 

2.5

手动

3

钻φ32孔的底孔φ26

T03

φ26

200

 

13

手动

4

粗镗φ32内孔、150斜面及0.5×450倒角

T04

20×20

320

40

0.8

自动

5

精镗φ32内孔、150斜面及0.5×450倒角

T04

20×20

400

25

0.2

自动

6

掉头装夹粗镗1:20锥孔

T04

20×20

320

40

0.8

自动

7

精镗1:20锥孔

T04

20×20

400

20

0.2

自动

8

心轴装夹从右至左粗车外轮廓

T05

25×25

320

40

1

自动

          

续表

单位名称

×××

产品名称或代号

零件名称

零件图号

×××

轴承套

×××

工序号

程序编号

夹具名称

使用设备

车间

001

×××

三爪卡盘和自制心轴

CJK6240数控车床

数控中心

工步号

工步内容

(尺寸单位 ㎜)

刀具号

刀具、刀柄规格

/ ㎜

主轴转速

/r.min轴承套零件的数控车加工工艺分析(图文教程),轴承套零件的数控车加工工艺分析,零件,加工,第8张

进给速度

/㎜.min轴承套零件的数控车加工工艺分析(图文教程),轴承套零件的数控车加工工艺分析,零件,加工,第9张

背吃刀量

/㎜

备注

9

从左至右粗车外轮廓

T06

25×25

320

40

1

自动

10

从右至左精车外轮廓

T05

25×25

400

20

0.1

自动

11

从左至右精车外轮廓

T06

25×25

400

20

0.1

自动

12

卸心轴,改为三爪装夹,粗车M45螺纹

T07

25×25

320

1.5㎜/ r

0.4

自动

13

精车M45螺纹

T07

25×25

320

1.5㎜/ r

0.1

自动

编制

×××

审核

×××

批准

×××

年  月  日

共 页

第 页

             
免责声明:
1;所有标注为智造资料网zl.fbzzw.cn的内容均为本站所有,版权均属本站所有,若您需要引用、转载,必须注明来源及原文链接即可,如涉及大面积转载,请来信告知,获取《授权协议》。
2;本网站图片,文字之类版权申明,因为网站可以由注册用户自行上传图片或文字,本网站无法鉴别所上传图片或文字的知识版权,如果侵犯,请及时通知我们,本网站将在第一时间及时删除,相关侵权责任均由相应上传用户自行承担。
[complaint:内容投诉]
智造资料网打造智能制造3D图纸下载,在线视频,软件下载,在线问答综合平台 » 轴承套零件的数控车加工工艺分析(图文教程)