机械制造与工艺全书-3 典型机床工作运动分析(图文教程)

第一节   金属切削机床基础知识

一、机床的分类与型号编制

(一)机床的分类

机床主要是按加工性质和所用刀具进行分类的,根据我国制定的机床型号编制方法,目前将机床分为12大类:车床、钻床、镗床、磨床、齿轮加工机床、螺纹加工机床、铣床、刨插床、拉床、特种加工机床、锯床及其他机床。

每一类又按工艺范围、布局型式和结构等,分为若干组,每一组又分为若干系。

在上述基本分类方法的基础上,还可根据机床的其他特征进一步加以区分。

同类型机床,按照它们的通用性程度,可分为

1)通用机床  2)专门化机床  3)专用机床

同类型机床按工作精度不同,可分为:普通精度机床、精密机床和高精度机床。

机床还可以按自动化程度不同,分为手动的、机动的、半自动的和自动的机床。

机床还可以按质量与尺寸分为:仪表机床、中型机床、大型机床、重型机床和超重型机床。

按照机床主要工作部件的数目,还可分为:单轴的、多轴的或单刀的、多刀的机床。

通常机床是按照加工性质进行分类,再根据某些特点进一步描述,例如多轴自动车床就是以车床为基本类型,再加上“多轴”、“自动”等特征,以区别于其他种类车床。

现代机床正向数控化方向发展,数控机床的功能越来越多,工序更加集中,一台数控机床集中了多台传统机床的功能。机床的数控化引起了机床传统分类方法发变化,这种变化趋向于综合性描述。

(二)机床型号的编制方法

机床的型号必须反映机床的类型、主要参数、使用和结构特性等。

标准JB1838-85:金属切削机床型号编制方法,适用于各类通用机床和专用机床,由汉语拼音字母和数字按一定规律组合而成。

1、通用机床型号

通用机床型号表示方法如下:

1)机床类、组、系的划分及其代号 

机床按其产品的工作原理、结构特性及使用范围划分为十二类,每类机床划分为十个组,每组又划分为十个系。

当需要时,机床的类代号又分为若干分类。分类代号在类代号之前,且第一分类不予表示。

 

2)机床的特性代号

某类机床除具有普通型式外,还具有一些通用特性和结构特性。

通用特性代号具有统一的固定意义。

结构特性代号用于区分主参数相同而结构、性能不同的机床,排在类代号和通用特性代号之后,无统一含义,且不能使用与通用特性相同的代号。

3)机床的主参数、第二主参数和设计顺序号

机床的主参数表示机床规格大小,用为更加清晰具体,部分机床还有第二主参数。

某些通用机床,4)机床的重大改进顺序号和同一型号机床的变型代号

当机床的结构、性能有重大改进和提高,并按产品重新设计、试制和鉴定时,在原机床型号尾部加以字母ABC等表示的重大改进顺序号,以区别于原机床。

某些机床,根据不同需要,在基本型号基础上仅改变部分性能结构时,则在原机床型号之后加以数字123等表示的变型代号,并以“/”(读“之”)分开,以区别于原机床。

2、专用机床型号

二、机床的运动

1、机床的运动分析

任何形状的工件,不论其复杂程度如何,都可以分解为几个基本表面的组合,而且这些表面都是由一条母线沿着一条导线运动的轨迹而形成的。

2、机床上的运动

机床上的运动按组成情况不同,可分为简单运动和复合运动。

按功用不同,可分为成形运动和辅助运动。 

第二节       卧式车床的工艺范围及其组成 

车床是机械制造中使用最广泛的一类机床,主要用于加工各种回转表面(内外圆柱面、圆锥面、环槽、回转体成型面等)和回转体的端面,有些车床还能加工螺纹。

这类机床的共同特征是:以车刀为主要切削工具,进行各种车削加工。车床的主运动通常是工件的旋转运动,进给运动通常是由刀具的直线移动来实现的。

在一般机器制造厂中,由于大多数零件都具有回转表面,同时车床本身的万能性强,使用的刀具简单,所以车床在金属切削机床中所占的比重较大,约占机床拥有量总台数的2550%

 

车床的种类繁多,按其用途和结构的不同,主要分为以下几类:

·            卧式车床和落地车床;

·            立式车床;

·            转塔车床;

·            多刀半自动车床;

·            仿形车床及仿形半自动车床;

·            单轴自动车床;

·            多轴自动车床及多轴半自动车床;

·            专门化车床,例如凸轮轴车床、曲轴车床、铲齿车床、高精度丝杠车床等。

此外,在大批大量生产中还使用各种专用车床。而在所有的车床类机床中,以卧式车床的应用最为广泛。 

一、卧式车床的工艺范围与运动

卧式车床的工艺范围相当广泛,可以车削内外圆柱面、圆锥面、环形槽、回转体成型面,车削端面和各种常用的公制、英制、模数制、径节制螺纹,还可以进行但卧式车床的自动化程度较低,加工形状复杂的工件时,换刀比较麻烦,加工中辅助时间较长,生产率较低,所以适用于单件、小批生产及修理车间等。

为完成各种加工工序,车床必须具备下列成形运动:

工件的旋转运动——主运动;

刀具的直线移动——进给运动。分为三种形式:纵向进给运动、横向进给运动、斜向进给运动。

在多数加工情况下,工件的旋转运动与刀具的直线移动为两个相互独立的简单成形运动,而在加工螺纹时,由于工件的旋转与刀具的移动之间必须保持严格的运动关系,因此它们组合成一个复合成形运动——螺纹轨迹运动,习惯上常称之为螺纹进给运动。另外,加工回转体成型面时,纵向和横向进给运动也组合成一个复合成形运动,因为刀具的曲线轨迹运动是依靠纵向和横向两个直线运动之间保持严格的运动关系而实现的。 

二、卧式车床的组成部件

   三、主要技术参数

   机床的主要技术参数包括机床的主参数和基本参数。

   卧式车床的主参数是床身上最大工件回转直径D。主参数值相同的卧式车床,往往有几种不同的第二主参数,卧式车床的第二主参数是最大工件长度。例如CA6140型卧式车床的主参数为400mm,第二主参数有750mm1000mm1500mm2000mm等四种。

机床的基本参数包括尺寸参数、运动参数和动力参数。

该文章所属专题:机械制造与工艺全书

 

第三节 卧式车床的传动与结构

一、卧式车床的传动系统图

为了实现加工过程中机床的各种运动,机床必须具备三个基本部分:执行件、动力源和传动装置。

执行件是执行机床运动的部件,如主轴、刀架、工作台等,其任务是带动工件或刀具完成所要求的各种运动,并保证其运动轨迹的准确性。

动力源是为执行传动装置是把动力源的动力和运动传给执行件的装置,完成变速、变向、改变运动形式等功能。

使动力源和执行件以及两个有关的执行一台机床可以有多条传动链。

从性质上讲,传动链可分为外联系和内联系传动链两种。

   1)外联系传动链 它是联系动力源与执行外联系传动链只影响被加工零件的表面质量和生产率,但不影响被加工零件表面形状的性质。

2)内联系传动链 它是联系构成复合运动的各个分运动执行件的传动链。因此传动链所联系的执行内联系传动链能影响被加工零件表面形状的性质。为了保证严格的传动比,在内联系传动链中不能有传动比不确定或瞬时传动比变化的传动机构(如带传动、链传动和摩擦传动等)。

通常传动链中的各种传动机构可分为两类:

传动比不变的“定比机构”(如定比齿轮副、齿轮齿条、蜗轮蜗杆等)和   为了简单明确地反映机床的传动联系,常用一些简单的符号来表示传动原理和传动路线,这就是传动原理图。

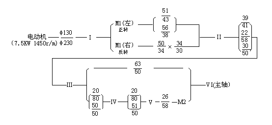
传动系统图是表示机床运动传动关系的综合简图,是传动原理图的具体体现。在图中用简单的符号代表各种传动元件(GB4406-84《机构运动简图符号》),并按照运动传递的先后顺序,以展开图的形式来表达。图中,通常须注明齿轮及蜗轮的齿数、蜗杆头数、带轮直径、丝杠的螺距和头数、电动机的功率和转速、传动轴的编号等。传动系统图只表示传动关系,不表示各元件的实际尺寸和空间位置,如教材图4-3所示为CA6140型卧式车床的传动系统图。

二、CA6140型卧式车床传动系统分析

    机床的加工过程中,需要有多少个运动就应该有多少条传动链。所有这些传动链和它们之间的相互联系就组成了一台机床的传动系统。分析传动系统也就是分析各传动链,分析各传动链时,应按下述步骤进行:

1)根据机床所具有的运动,确定各传动链两端件。

2)根据传动链两端件的运动关系,确定计算位移量。

3)根据计算位移量及传动链中各传动副的传动比,列出运动平衡式。

4)根据运动平衡式,推导出传动链的换置公式。

传动链中换要实现机床所需的运动,CA6140型卧式车床的传动系统需具备以下传动链:实现主运动的主传动链;

实现螺纹进给运动的螺纹进给传动链;

实现纵向进给运动的纵向进给传动链;

实现横向进给运动的横向进给传动链;

实现刀架快速退离或趋近工件的快速空行程传动链。

(一)主运动传动链

    1、传动路线

    CA6140型卧式车床主运动,是由主电动机经三角皮带传至主轴箱中的轴I,轴I上装有一个双向多片式摩擦离合器M1,用以控制主轴的启动停止和换向。轴I的运动经离合器M1   1)高速传动路线  主轴VI上的滑移齿轮Z50处于左边位置,运动经齿轮副直接传给主轴。

机械制造与工艺全书-3 典型机床工作运动分析(图文教程),机械制造与工艺全书-3_典型机床工作运动分析,图文,第1张   

2)中低速传动路线 主轴VI上的滑移齿轮Z50处于右边位置,且使齿式离合器M2接合, 传动路线是分析和认识机床的基础,常用的方法是“抓两端,连中间”:首先找到传动链的两端件,然后按照运动传递或联系顺序,从    2、主轴的转速级数与转速计算

根据传动系统图和传动路线表达式,主轴正转可获得2´3´(2´2-1)+2´3=24级不同转速。同理,主轴反转12级。

   主轴的转速可按下列运动平衡式计算:

机械制造与工艺全书-3 典型机床工作运动分析(图文教程),机械制造与工艺全书-3_典型机床工作运动分析,图文,第2张

主轴反转一般   (二)螺纹进给运动传动链

CA6140型卧式车床螺纹进给运动传动链,可以保证机床车削公制、英制、模数制和径节制四种标准螺纹。

此外,还可以车削大导程、非标准和较精密的螺纹。这些螺纹可以是右旋的,也可以是左旋的。不同标准的螺纹用不同的参数表示其螺距。

   无论1(主轴)×u0×ux×L=L   公制螺纹是我国常用的螺纹,在国家标准中已规定了其标准螺距值。公制螺纹的标准螺距是按分段等差数列的规律排列的(参见表4-6),为此,螺纹进给传动链的变速机构也应按分段等差数列的规律变换其传动比。这一要求是通过适当调整进给箱中的变速机构来实现的。

车削公制螺纹时,进给箱中的离合器M3M4脱开,M5接合。其运动由主轴VI经齿轮副,轴IX至轴XI间的左右螺纹换向机构,挂轮,传至进给箱的轴XII,然后再经齿轮副,轴XIII--XIV间的滑移齿轮变速机构(基本螺距机构),齿轮副传至轴XV,接下去再经轴XVXVII间的两组滑移齿轮变速机构(增倍机构)和离合器M5传动丝杠XVIII旋转。合上溜板箱中的开合螺母,使其与丝杠啮合,便带动了刀架纵向移动。其传动路线表达式如下:

机械制造与工艺全书-3 典型机床工作运动分析(图文教程),机械制造与工艺全书-3_典型机床工作运动分析,图文,第3张

    其中,u基为轴XIIIXIV间变速机构的可变传动比,共8种:26/2828/2832/2836/2819/1420/1433/2136/21,即6.5/77/78/79/79.5/710/711/712/7。它们近似按等差数列的规律排列,是获得各种螺纹导程的基本机构,故通常称之为基本螺距机构,或基本组。

     u   根据传动系统图或传动链的传动路线表达式,可列出车削公制螺纹的运动平衡式:

L=kP=1(主轴)uu12

化简得:

L=7uu

由此可得8´4=32种导程值,其中符合标准的只有20种(见表4-6

   由上述可知,利用基本组中各传动副传动,可以车削出按等差数列规律排列的基本导程值;经过增倍组后,又可把由基本加工其它不同种类和标准的螺纹时,只要通过离合器不同的离合状态和   (三)机动进给传动链

   实现一般车削时刀架机动进给的纵向和横向进给传动链,由主轴至进给箱中轴XVII的传动路线与车公制或英制常用螺纹的传动路线相同,其后运动经齿轮副机械制造与工艺全书-3 典型机床工作运动分析(图文教程),机械制造与工艺全书-3_典型机床工作运动分析,图文,第4张

   溜板箱中的   纵向和横向进给传动链的两端件的计算位移为:

    纵向进给:主轴转一转——    横向进给:主轴转一转——    

免责声明:
1;所有标注为智造资料网zl.fbzzw.cn的内容均为本站所有,版权均属本站所有,若您需要引用、转载,必须注明来源及原文链接即可,如涉及大面积转载,请来信告知,获取《授权协议》。
2;本网站图片,文字之类版权申明,因为网站可以由注册用户自行上传图片或文字,本网站无法鉴别所上传图片或文字的知识版权,如果侵犯,请及时通知我们,本网站将在第一时间及时删除,相关侵权责任均由相应上传用户自行承担。
[complaint:内容投诉]
智造资料网打造智能制造3D图纸下载,在线视频,软件下载,在线问答综合平台 » 机械制造与工艺全书-3 典型机床工作运动分析(图文教程)