加工中心加工端盖编程实例(图文教程)

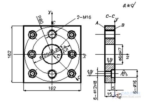
    用卧式加工中心加工图1所示的端盖(B面及各孔),试编制加工程序。

    根据图纸要求,选择A面为定位基准,用弯板装夹。加工路线如下:粗铣和精铣B面(选用φ100mm端铣刀T01、T13);粗镗、半精镗和精镗φ60H7孔分别至φ58、φ59.95、φ60H7(选用镗刀T02、T03、T04);钻、扩、铰φ12H8孔(φ3mm中心钻T05、φ10mm钻头T06、φ11.85mm扩孔钻T07、φ12H8铰刀T09);M16螺纹钻孔、攻丝(φ14mm钻头T10、M16机用丝锥T12)。工件坐标系原点选在φ60H7孔中心上,Z方向零点选在加工表面上,快速进给终点平面选在距离工件表面2mm处平面。对刀点选在中心孔上方50mm处。

加工中心加工端盖编程实例(图文教程),加工中心加工端盖编程实例,端盖,实例,加工,第1张

图1 端盖零件

加工程序如下:

O0001 ;

N1 G92 X0 Y0 Z50.0 ; 工件坐标系设定

N2 T01 M06; 换T01号刀具

N3 G90 G00 Y0 Z10.0;

N4 X-135.0 Y45.0;

N5 S300 M03;

N6 G43Z0.5 H01 M08; 建立长度补偿

N7 G01X75. 0 F70; 粗铣B面

N8 Y-45.0;

N9 X-135.0 M09;

N10 G00 G49 Z10. 0 M05; 取消长度补偿

N11 X0 Y0;

N12 T13 M06; 换T13号刀具

N13 X-135.0 Y45.0;

N14 G43 Z0 H13 S500 M03;

N15 G01 X75.0 F50 M08; 精铣B面

N16 Y-45.0;

N17 X-135.0 M09;

N18 G00 G49 Z10.0 M05;

N19 X0 Y0;

N20 T02 M06; 换T02号刀具

N21 G43 Z4.0 H02 S400 M03;

N22 G98G85 Z-17.0 R2.0 F40; 粗镗φ60H7孔

N23 G00 G49 Z10.0 M05;

N24 X0 Y0;

N25 T03 M06; 换T03号刀具

N26 G43 Z4.0 H03 S450 M03;

N27 G98 G85 Z-17.0 R2.0 F50; 半精镗φ60H7孔

N28 G00 G49 Z10.0 M05;

N29 T04 M06; 换T04号刀具

N30 X0 Y0;

N31 G43 Z2.0 H04 S450 M03;

N32 G98 G85 Z-17.0 R1.0 F40; 精镗φ60H7循环

N33 G00 G49 Z10.0 M05;

N34 T05 M06; 换T05号刀具

N35 X60 Y0.0;

N36 G43 Z4.0 H05 S1000 M03;

N37 G98 G91 G81 Z-5.0 R2.0 F50; 固定循环,钻中心孔

N38 M98P0005; 子程序调用

N39 G00 G49 Z10.0 M05;

N41 T06 M06; 换T06号刀具

N42 X60.0 Y0;

N43 G43 Z4.0 H06 S600 M03;

N44 G99 G81 Z-17.0R2.0 F60; 钻孔固定循环

N45 M98P0005; 子程序调用

N46 G00 G49 Z10.0 M05;

N47 T07 M06; 换T07号刀具

N48 X60.0 Y0;

N49 G43 Z4.0 H07 S300 M03;

N50 G99 G82 Z-5.0 R2.0 P2000 F40; 扩孔固定循环

N51 M98P0005; 子程序调用

N52 G49 G00 Z10.0 M05;

N54 T09 M06; 换T09号刀具

N55 X60 Y0;

N56 G43 Z4.0 H09 S500 M03;

N57 G99G81 Z-17.0 R2.0 F40; 铰孔固定循环

N58 M98P0005; 子程序调用

N59 G49 G00 Z10.0 M05;

N60 T10 M06; 换T10号刀具

N61 X0 Y60;

N62 G43 Z4.0 H10 S500 M03;

N63 G99G81 Z-17.0 R2.0 F40; 钻孔固定循环

N64 X0 Y-60.0;

N65 G49 G00 Z10.0 M05;

N66 T11 M06; 换T11号刀具

N67 X0 Y60;

N68 G43 Z4.0 H11 S500 M03;

N69 G99G84 Z-17.0 R2.0 F200; 攻螺纹固定循环

N70 X0 Y-60.0;

N71 G00 G49 Z10.0 M05;

N72 G28 X0 Y0;

N73 M30;

O0005;(子程序)

N10 X56.57 Y56.57;

N20 X-56.57;

N30 X-60.0 Y0;

N40 X-56.57 Y-56.57;

N50 X56.57;

N50 M99;

免责声明:
1;所有标注为智造资料网zl.fbzzw.cn的内容均为本站所有,版权均属本站所有,若您需要引用、转载,必须注明来源及原文链接即可,如涉及大面积转载,请来信告知,获取《授权协议》。
2;本网站图片,文字之类版权申明,因为网站可以由注册用户自行上传图片或文字,本网站无法鉴别所上传图片或文字的知识版权,如果侵犯,请及时通知我们,本网站将在第一时间及时删除,相关侵权责任均由相应上传用户自行承担。
[complaint:内容投诉]
智造资料网打造智能制造3D图纸下载,在线视频,软件下载,在线问答综合平台 » 加工中心加工端盖编程实例(图文教程)