液晶显示器底座注塑模设计要点

液晶显示器底座产品图见图1,产品最大外形尺寸为327.33 mm x236.24 mm x51.9 mm,塑件平均胶位厚度3.0 mm,塑件材料为HIPS,缩水率为1.005,塑件质量为361.68克。塑件技术要求为不得存在披峰、注塑不满、流纹、气孔、翘曲变形、银纹、冷料、喷射纹等各种缺陷。

液晶显示器底座注塑模设计要点,要点,第1张

液晶显示器底座注塑模设计要点,要点,第2张

图1 液晶显示器底座产品图

从图1可以看出,塑件为大平面型造型,中间有局部封闭性凸起,用来与液晶显示器后壳组装。中间凸起部位有一处柱位,需要设计前模滑块抽芯。这种模具看上去结构比较简单,没有很复杂的模具结构。由于塑件尺寸较大,后模的边缘一圈封闭的骨位和中间的多条骨位,需要设计合理的镶件,解决加工工艺问题。

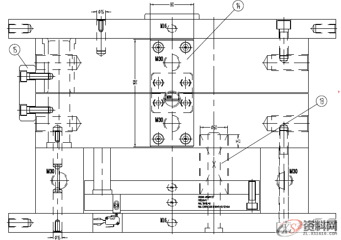
模具设计时一定要考虑到模具加工工艺,对于多条十字骨位,最深处达到13.35mm,在模仁的底部宽度为1.21mm,这些骨位如果采用机床刀具加工,则十分困难。如果采用EDM做电极打火花加工则十分费事。最理想的加工方法就是专业磨床加工。为此,必须将后模设计成全镶拼的结构形式。见后模镶件组装图3.

全镶拼的结构形式做法,以基准角为基准,模板精框与基准角较远的两垂直边分别做3°~5°斜度。前模为整体模仁,在前模仁相应位置做斜度与模板相配合。后模为全镶拼结构,后模仁分为边缘4块,中间一块。这种设计方式便于多台机床同时加工,在大中型复杂模具中广泛使用。

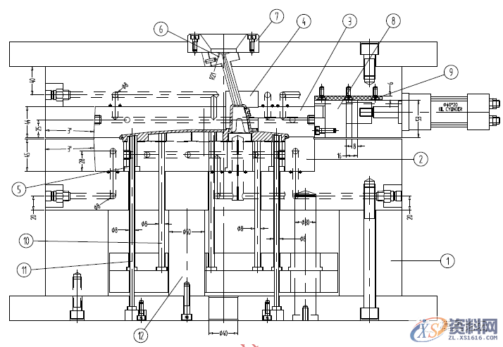
塑件尺寸较大,模具设计型腔排位为1出1,模胚为CI5055A100B100C120;浇口套6偏心设计,偏心角度为15.5°,为了提高合模精度,在模胚的四边分别设计一个零度定位块;在面板和A板之间,方铁与B板之间,方铁与底板之间均增加定位销,以增加模具刚度。由于型腔为偏心设置,在分型面一侧设计了两件平衡垫板,采用淬火钢材制造。

前模滑块采用油缸抽芯。

塑件顶出采用司筒和顶针顶出。

液晶显示器底座注塑模设计要点,要点,第3张

液晶显示器底座注塑模设计要点,要点,第4张

液晶显示器底座注塑模设计要点,要点,第5张

液晶显示器底座注塑模设计要点,要点,第6张

液晶显示器底座注塑模设计要点,要点,第7张

图2 液晶显示器底座模具图

液晶显示器底座注塑模设计要点,要点,第8张

图3 后模镶件组装图

液晶显示器底座注塑模设计要点,要点,第9张

图4 B板图

东莞潇洒职业培训学校开设课程有:高升专、专升本学历提升、全日制中职学校学位、积分入户、数控编程培训、塑胶模具设计培训,压铸模具设计培训、冲压模具设计培训,精雕、ZBrush圆雕培训、Solidworks产品设计培训、pro/E产品设计培训、AutoformR7工艺分析培训,非标自动化设计、PLC编程、CNC电脑锣操机、文职培训、电商培训、平面设计等培训、电商培训,潇洒职业培训学校线下、线上等网络学习方式,随到随学,上班学习两不误,欢迎免费试学!

联系电话:13018639977(微信同号)QQ:2033825601

学校官网:www.dgxspx.com 智造人才网:www.58hr.net

学习地址:东莞市横沥镇新城工业区兴业路121号-潇洒职业培训学校

免责声明:
1;所有标注为智造资料网zl.fbzzw.cn的内容均为本站所有,版权均属本站所有,若您需要引用、转载,必须注明来源及原文链接即可,如涉及大面积转载,请来信告知,获取《授权协议》。
2;本网站图片,文字之类版权申明,因为网站可以由注册用户自行上传图片或文字,本网站无法鉴别所上传图片或文字的知识版权,如果侵犯,请及时通知我们,本网站将在第一时间及时删除,相关侵权责任均由相应上传用户自行承担。
[complaint:内容投诉]
智造资料网打造智能制造3D图纸下载,在线视频,软件下载,在线问答综合平台 » 液晶显示器底座注塑模设计要点