在现代工业生产中,模具是重要的工艺装备之一,是“工业制造业之母”。随着科学技术的发展,工业品的品种和产量不断增加,产品更新换代加快,因而,对模具的质量要求也越来越高。模具技术,特别是制造精密、复杂、大型、长寿模具的技术,已成为衡量一个国家机械制造水平的重要标志之一,是一个国家经济发展水平的重要体现。而模具设计与制造水平的高低直接制约着模具质量的高低,世界上工业发达的国家,模具工业的发展速度甚至超过了机床、汽车、电子等工业,成为一国的重要基础工业。今天我们来了解一下推平模具和折弯模具的结构。
推平模具结构:
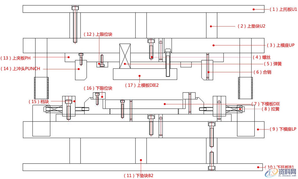
推平模具结构一

推平模具结构
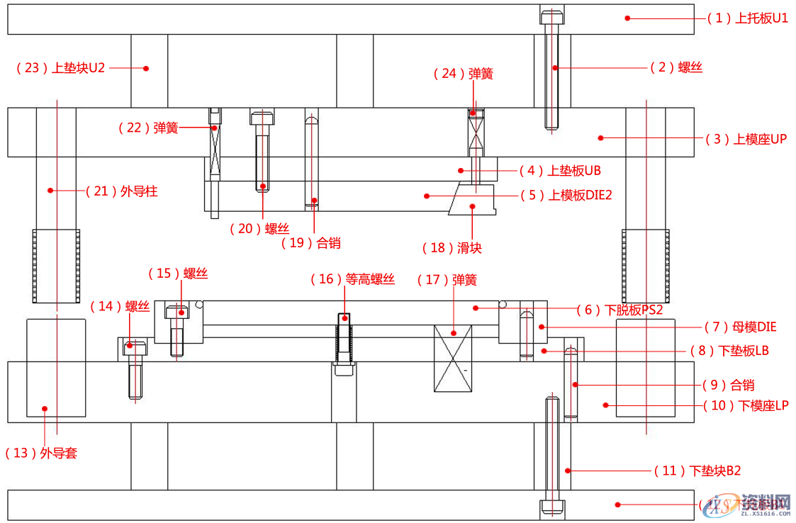
推平模具结构二

推平模具结构
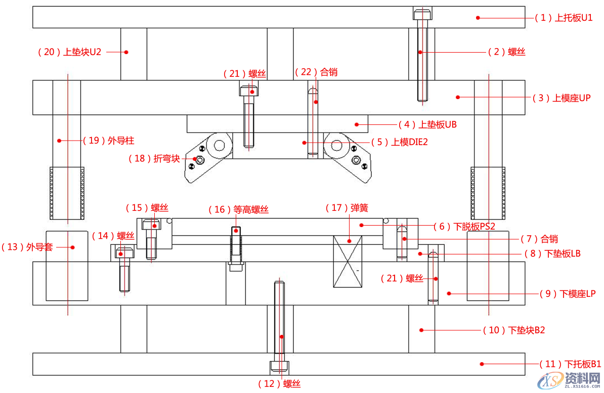
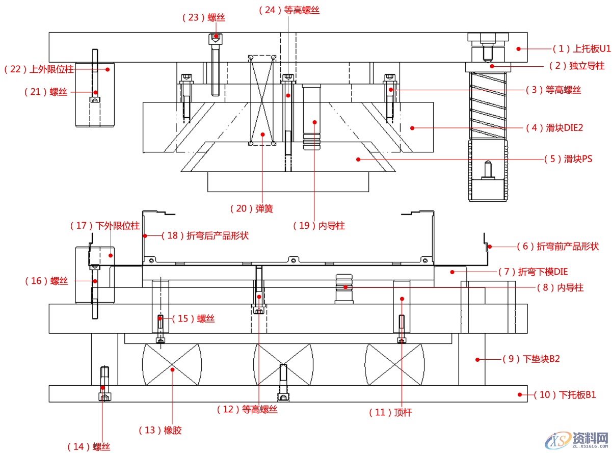
折弯模具结构:
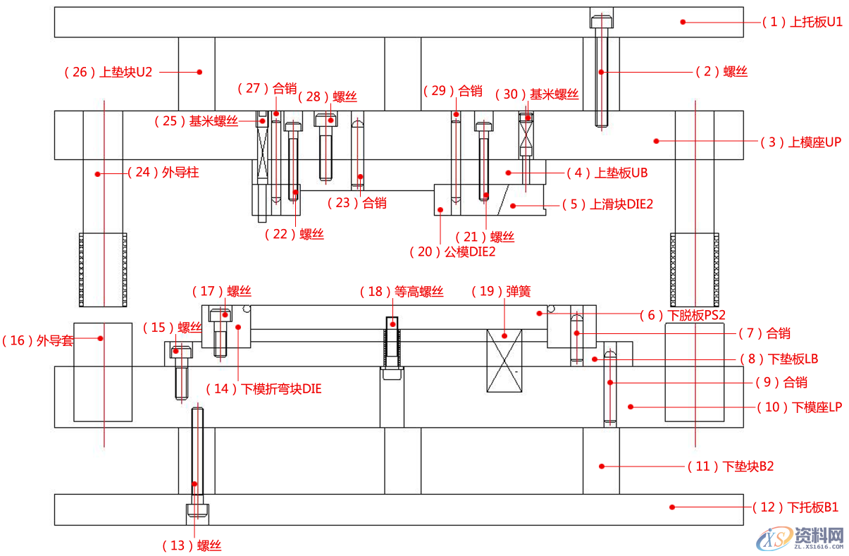
折弯模具结构一

折弯模具结构
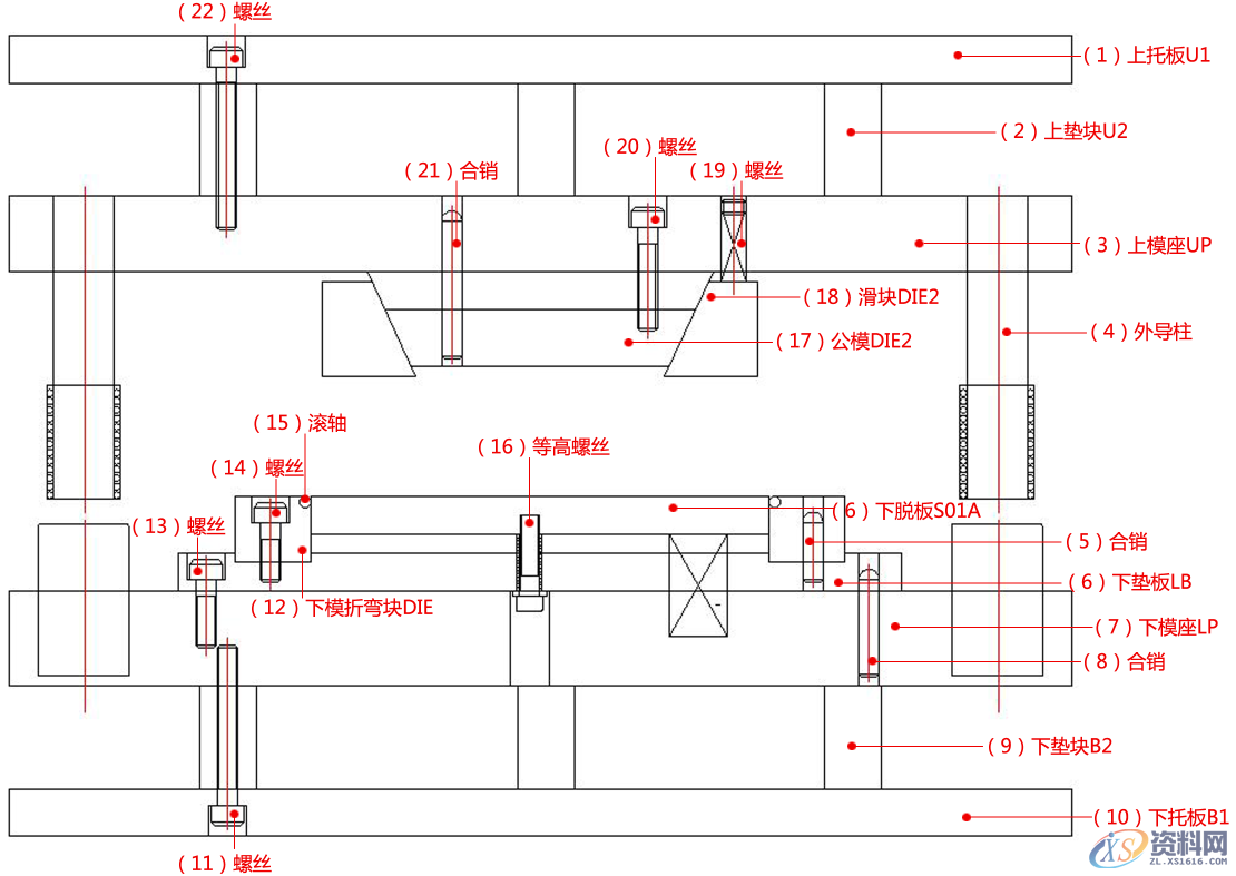
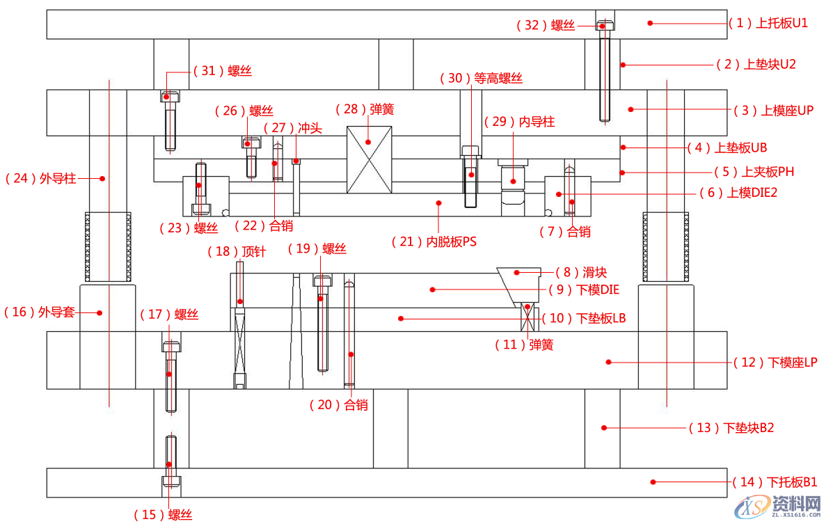
折弯模具结构二

折弯模具结构
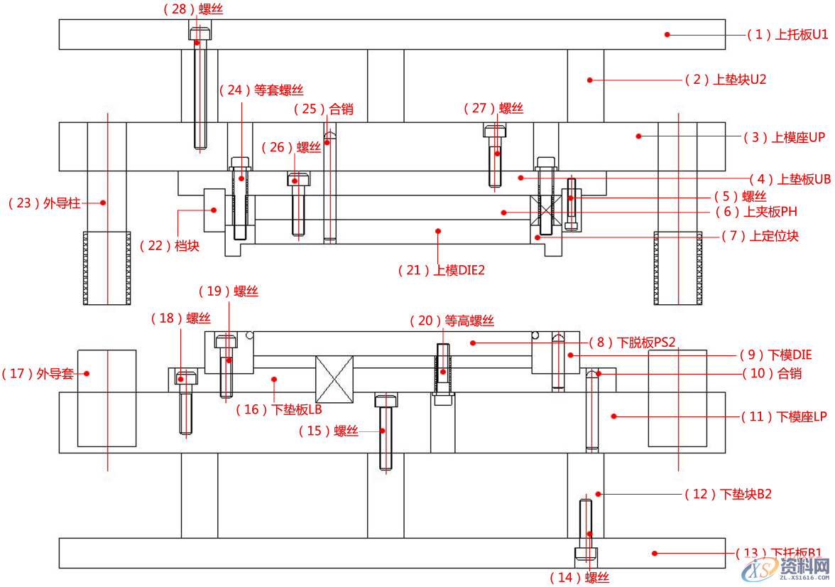
折弯模具结构三

折弯模具结构
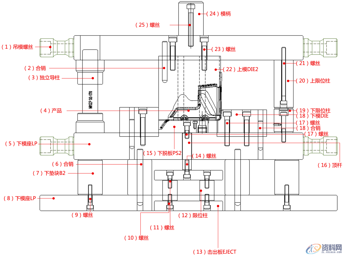
折弯模具结构四

折弯模具结构
折弯模具结构五

折弯模具结构
折弯模具结构六

折弯模具结构
折弯模具结构七

折弯模具结构
折弯模具结构八

折弯模具结构
折弯模具结构九

折弯模具结构
折弯模具结构十

折弯模具结构
折弯模具结构十一

折弯模具结构
折弯模具结构十二

折弯模具结构
东莞潇洒职业培训学校目前开设课程有:学历提升、积分入户、数控编程培训、塑胶模具设计培训,压铸模具设计培训、冲压模具设计培训,精雕、ZBrush圆雕培训、Solidworks产品设计培训、pro/E产品设计培训、AutoformR7工艺分析培训,非标自动化设计、PLC编程、CNC电脑锣操机、平面设计等培训课程,潇洒职业培训学校线下、线上等网络学习方式,随到随学,上班学习两不误,欢迎免费试学!
联系电话:13018636633(微信同号) QQ:1740467385
免责声明:
1;所有标注为智造资料网zl.fbzzw.cn的内容均为本站所有,版权均属本站所有,若您需要引用、转载,必须注明来源及原文链接即可,如涉及大面积转载,请来信告知,获取《授权协议》。
2;本网站图片,文字之类版权申明,因为网站可以由注册用户自行上传图片或文字,本网站无法鉴别所上传图片或文字的知识版权,如果侵犯,请及时通知我们,本网站将在第一时间及时删除,相关侵权责任均由相应上传用户自行承担。
[complaint:内容投诉]
智造资料网打造智能制造3D图纸下载,在线视频,软件下载,在线问答综合平台 » 五金冲压模具设计之推平模具结构和折弯模具结构,建议收藏 ... ... ...
1;所有标注为智造资料网zl.fbzzw.cn的内容均为本站所有,版权均属本站所有,若您需要引用、转载,必须注明来源及原文链接即可,如涉及大面积转载,请来信告知,获取《授权协议》。
2;本网站图片,文字之类版权申明,因为网站可以由注册用户自行上传图片或文字,本网站无法鉴别所上传图片或文字的知识版权,如果侵犯,请及时通知我们,本网站将在第一时间及时删除,相关侵权责任均由相应上传用户自行承担。
[complaint:内容投诉]
智造资料网打造智能制造3D图纸下载,在线视频,软件下载,在线问答综合平台 » 五金冲压模具设计之推平模具结构和折弯模具结构,建议收藏 ... ... ...

