PLC西门子编程经典案例讲解,建议收藏
今天跟大家一起探讨一下具体应用程序的编写方法,我们以运料小车控制系统的编程方法为例进行讲解。

运料车主要用于搬运加工工件,在工矿企业的生产车间是比较常见的运输设备。运料车由三相交流异步电动机进行驱动。其运动方向的改变主要是通过电动机的正反转来实现。控制系统正常运行时,一般设为连续运行(自动控制)状态。但在调试系统或设备维修过程中,往往需把系统设为点动控制(手动控制),所以运料车的控制实际上就是电动机点动、连续正反转控制。
运料车由三相交流异步电动机拖动,可左右运行,如图1所示。具体控制要求如下:

图 1
1、点动控制时,按点动正转按钮,电动机正转点动运行,运料年左行;按点动反转按钮,电动机反转点动运行,运料车右行。
2、连续控制时,按正转按钮,电动机连续正转,运科车连续左行;按反转按钮,电动机连续反转,运料车连续右行;按停止按钮,运料车随时停止。
3、运料车应有软、硬件互锁控制功能
要求用前面已经学过的编程元件和方法试着编写PLC控制编程(梯形图):
(1)用触点线圈指令编程;
(2)用置位复位指令编程;
(3)用跳转与跳转标号指令编程。
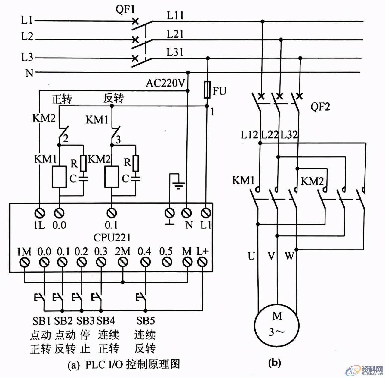
一、设计电气原理图
1、选择电器元件及PLC型号
输入信号:点动正转按钮1个、点动反转按钮1个、连续正转按钮1个、连续反转按纽1个、停止按钮1个,输入信号共5个,要占用5个输入端子,所以PLC输入至少需5点。(这里说明一下,限位因篇幅的原因,不做考虑)。
输出信号:正转接触器1个、反转接触器1个,占用PLC两个输出端子,所以PLC输出至少需2点。查西门子PLC用户手册可知,CPU221主机输入6点、输出4点,能满足实际需求的输入5点输出2点的要求。因PLC控制电动机,所以继电器输出型的PLC就能满足要求,选择CPU221继电器输出型的PLC即可。
2、设计电气原理图
电气原理图见图2所示。

图 2
二、控制程序设计
1、用触点指令编程
运料车的控制要求既有点动又有连续正反转控制功能, 用中间继电器进行状态转换后就很较易实现要求,如图3所示,网络1、网络3实现了既能点动又能连续的正转控制,网络2、网络4实现了既能点动又能连续的反转控制。


图 3
2、用置位复位指令编程
用置位位复位指令编程也可以实现电动机连续控制,其运行程序如图4(1)所示。

图 4(1)
点动控制不能用置位复位指令,只能用触点线圈指令编程,既有点动、又有连续控制功能的电动机运行程序如图4(2)所示。


图 4(2)
3、用跳转与跳转标号指令编程
前面用5个按钮实现运料车点动,连续启停控制,其实点动、连续控制方式也可用旋转开关进行方式选择,这时正转反转停止按钮仍需要,电气原理图稍有变化。输入信号:旋钮开关1个,正转启动校钮1个,反转启动按钮1个,停止按钮1个,输入至少需4点。输出信号同前,正反转接触器线圈各1个,至少需2点。仍选择CPU221
(输入6点,输出4点)继电器输出型。
电气原理图可在图1的基础上稍作修改,输入信号少用个按钮,在此不再重画电气原理图,程序中I0.3假设接通为点动,断开为连续,控制程序如图5所示。



图 5
任何一个实际控制程序,可以用不同的方法来进行编写。究竟什么样的程序是合适的,就要看程序是不是编写简单、维护起来方便,还有就是运行可靠,尽量减少冗余。
东莞潇洒职业培训学校目前开设课程有:学历提升、积分入户、数控编程培训、塑胶模具设计培训,压铸模具设计培训、冲压模具设计培训,精雕、ZBrush圆雕培训、Solidworks产品设计培训、pro/E产品设计培训、AutoformR7工艺分析培训,非标自动化设计、PLC编程、工业机器人、CNC电脑锣操机、平面设计等培训课程,潇洒职业培训学校线下、线上等网络学习方式,随到随学,上班学习两不误,欢迎免费试学!
联系电话:13018636633(微信同号) QQ:1740467385
1;所有标注为智造资料网zl.fbzzw.cn的内容均为本站所有,版权均属本站所有,若您需要引用、转载,必须注明来源及原文链接即可,如涉及大面积转载,请来信告知,获取《授权协议》。
2;本网站图片,文字之类版权申明,因为网站可以由注册用户自行上传图片或文字,本网站无法鉴别所上传图片或文字的知识版权,如果侵犯,请及时通知我们,本网站将在第一时间及时删除,相关侵权责任均由相应上传用户自行承担。
[complaint:内容投诉]
智造资料网打造智能制造3D图纸下载,在线视频,软件下载,在线问答综合平台 » PLC西门子编程经典案例讲解,建议收藏PLC西门子编程经典案例讲解,建议收藏

