一. 压线入子结构
压线的目的:
(1). 材料预变形,减少折弯时的阻力,使折弯时的尺寸更为准确。
(2). 防止折弯时产生的拉料变形。

二. 压筋入子结构
压筋目的
減小折弯时的回弹,使折弯尺寸更准确。
减小折弯时所产生的拉料变形。

注:滑块用于折弯成形时,滑块要做压筋。
三. 压毛边入子
(1)压毛边的形式
內孔压毛边﹐产品周边压毛边。
(2)压毛边入子的加工方法
先线割好入子外形﹐将入子放入模板入子孔內﹐下面垫高0.22mm﹐用Φ4球刀依入子周边加工﹐尺寸見下图示意。(料厚为0.8T)

四. 预剪结构
连续模带料部分在最后一站剪切或剪断成形﹐产品要求外观或手可触摸处均无毛边﹐因此要求模具在剪切的前一站进行预剪(也称为预压毛边)。设计时﹐先要判定毛边的方向﹐确定预剪在上模还是在下模﹐其结构及具体设计尺寸如下﹕

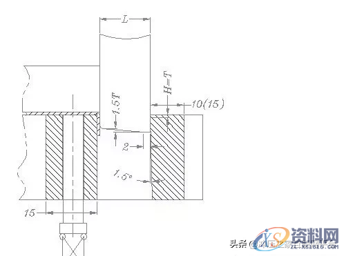
五. 连剪带折弯结构
作业说明:
先剪后折刀口高度为一个料厚,斜1.5度,目的是减少冲头同切口之间的接触面,以便減少摩擦。沖头切口底部直2mm,是为了保证刀口強度,防止崩刃。沖头折弯边高度为1.5T,这样可保证先剪断后折边。

六. 顶料销设计标准
1.选用原則
(1).一般选用Φ8.0的LB型顶料销。若位置不夠时可选用Φ6.0型的顶料销。
(2).当所需顶料力很大,位置又夠时可选用Φ10.0的顶料销.
(3).顶料销长度的选择,应注意参考以下原则:
a. 选用标准长度,并考虑可否不需要在模板上沉孔。
b. 顶出高度<=10mm时,一般选用φ8.0的顶料销﹔顶出高度>=10.0MM时,选择其它标准规格的顶料销.
c. 避免开模时弹簧顶住模板台阶处的現象。
d. 铁氟龙材质LB型顶料销适用于铝材,铜材等材质。规格为Φ8.0*25,Φ8.0*30,Φ8.0*35,Φ8.0*40
2.排布規則
(1)抽孔,抽凸周围对称排配顶料销,也可采用內脱料的形式脱料。
(2)折弯时如使用顶料销脱料,在凸模上折弯边每隔20-30MM排配一个顶料销,折弯拐角处一定要排配一个顶料销,顶料销四分点距折弯边2.5MM.
(3)折单边时,折弯边顶料销按上述原則排配,非折弯边视大小均勻分布2-4个顶料销。
顶料销的排配一般保证顶料销逃孔边到材料边或模具相应刃口边距离为4MM,注意其位置尺寸尽量圆整到整数或小数点后一位。內孔精定位销两边一般对称排配两个顶料销,外形精定位可视需要礁定是否安装顶料销。另外顶料销的排配还要考虑整个工件的稳定性
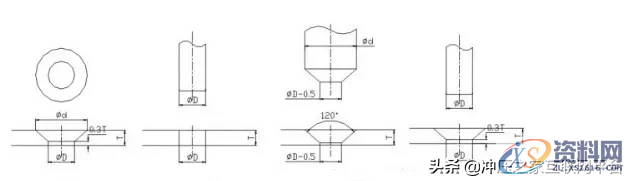
七. 打沙拉孔设计标准
1.沙拉孔的成形步骤:
a.先打沙拉后冲孔 b.先冲孔后打沙拉 c.先冲孔,打沙拉,再冲孔
2.沙拉孔分为两种:
a. 淺沙拉孔:
浅沙拉孔分为三个步骤,第一步,先沖底孔,第二步,打沙拉孔,第三步,再沖沙拉過孔,具体尺寸见下图示意.

b. 深沙拉孔:深沙拉孔分为两个步骤,第一步,先沖底孔,第二步,打沙拉孔

1;所有标注为智造资料网zl.fbzzw.cn的内容均为本站所有,版权均属本站所有,若您需要引用、转载,必须注明来源及原文链接即可,如涉及大面积转载,请来信告知,获取《授权协议》。
2;本网站图片,文字之类版权申明,因为网站可以由注册用户自行上传图片或文字,本网站无法鉴别所上传图片或文字的知识版权,如果侵犯,请及时通知我们,本网站将在第一时间及时删除,相关侵权责任均由相应上传用户自行承担。
[complaint:内容投诉]
智造资料网打造智能制造3D图纸下载,在线视频,软件下载,在线问答综合平台 » 十五种最为常用的五金模具标准化结构

