自润滑关节轴承的结构型式(图文教程)

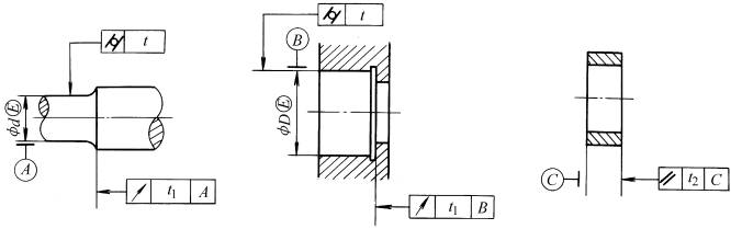
    配合表面的形状公差和位置公差

自润滑关节轴承的结构型式(图文教程),自润滑关节轴承的结构型式,结构,形状,直径,第1张

轴承公称直径/

mm

形状公差

位置公差

外壳孔

轴肩

外壳孔肩

垫圈

圆柱度/μm

端面圆跳动/μm

平行度/μm

~6

4

8

12

>6~10

4

4

9

9

15

>10~18

5

5

11

11

18

>18~30

6

6

13

13

21

>30~50

7

7

16

16

25

>50~80

8

8

19

19

30

>80~120

10

10

22

22

35

>120~150

12

12

25

25

40

>150~180

12

12

25

25

40

>180~250

14

14

29

29

46

>250~315

16

16

32

32

52

>315~400

18

18

36

36

57

>400~500

20

40

63

 

免责声明:
1;所有标注为智造资料网zl.fbzzw.cn的内容均为本站所有,版权均属本站所有,若您需要引用、转载,必须注明来源及原文链接即可,如涉及大面积转载,请来信告知,获取《授权协议》。
2;本网站图片,文字之类版权申明,因为网站可以由注册用户自行上传图片或文字,本网站无法鉴别所上传图片或文字的知识版权,如果侵犯,请及时通知我们,本网站将在第一时间及时删除,相关侵权责任均由相应上传用户自行承担。
[complaint:内容投诉]
智造资料网打造智能制造3D图纸下载,在线视频,软件下载,在线问答综合平台 » 自润滑关节轴承的结构型式(图文教程)