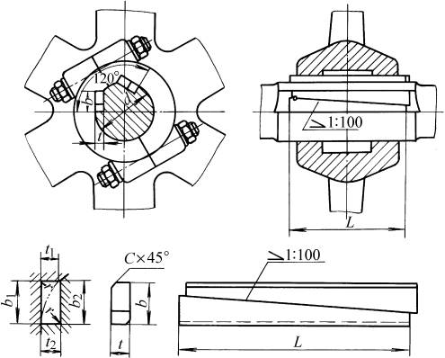
普通切向键、强力切向键及键槽的尺寸(摘自GB/T 1974-1980) (mm)
注: ① 一对切向键在装配之后的相互位置应用销或其他适当方法固定
② 长度L按实际结构确定,建议一般比轮毂厚度长10%~15%
③ 一对切向键在装配时,1:100的两斜面之间,以及键的两工作面与轴槽和轮毂槽的工作面之间,都必须紧密贴合
普通切向键及槽尺寸 |
| |||||||||||||
轴径 d | 键 | 键槽 |
| |||||||||||
厚度 t | 计算宽度 b | 倒角 C | 深度 | 计算宽度 | 半径 r |
| ||||||||
轮毂t1 | 轴t2 | 轮毂 b1 | 轴 b2 |
| ||||||||||
尺寸 | 极限偏差 (h11) | 最小 | 最大 | 最大 | 最小 |
| ||||||||
尺寸 | 极限偏差 | 尺寸 | 极限偏差 |
| ||||||||||
60 | 7 | 0 -0.090 | 19.3 | 0.6 | 0.8 | 7 | 0 -0.2 | 7.3 | +0.2 0 | 19.3 | 19.6 | 0.6 | 0.4 |
|
65 | 20.1 | 20.1 | 20.5 |
| ||||||||||
70 | 21.0 | 21.0 | 21.4 |
| ||||||||||
75 | 8 | 0 -0.090 | 23.2 | 8 | 8.3 | 23.2 | 23.5 |
| ||||||
80 | 24.0 | 24.0 | 24.4 |
| ||||||||||
85 | 24.8 | 24.8 | 25.2 |
| ||||||||||
90 | 25.6 | 25.6 | 26.0 |
| ||||||||||
95 | 9 | 27.8 | 9 | 9.3 | 27.8 | 28.2 |
| |||||||
100 | 28.6 | 28.6 | 29.0 |
| ||||||||||
110 | 30.1 | 30.1 | 30.6 |
| ||||||||||
120 | 10 | 33.2 | 1 | 1.2 | 10 | 10.3 | 33.2 | 33.6 | 1.0 | 0.7 |
| |||
130 | 34.6 | 34.6 | 35.1 |
| ||||||||||
140 | 11 | 0 -0.110 | 37.7 | 11 | 11.4 | 37.7 | 38.3 |
| ||||||
150 | 39.1 | 39.1 | 39.7 |
| ||||||||||
160 | 12 | 42.1 | 12 | 0 -0.3 | 12.4 | +0.3 0 | 42.1 | 42.8 |
| |||||
170 | 43.5 | 43.5 | 44.2 |
| ||||||||||
180 | 44.9 | 44.9 | 45.6 |
| ||||||||||
190 | 14 | 49.6 | 14 | 14.4 | 49.6 | 50.3 |
| |||||||
200 | 51.0 | 51.0 | 51.7 |
| ||||||||||
220 | 16 | 57.1 | 1.6 | 2.0 | 16 | 16.4 | 57.1 | 57.8 | 1.6 | 1.2 |
| |||
240 | 59.9 | 59.9 | 60.6 |
| ||||||||||
250 | 18 | 64.6 | 18 | 18.4 | 64.6 | 65.3 |
| |||||||
260 | 66.0 | 66.0 | 66.7 |
| ||||||||||
280 | 20 | 0 -0.130 | 72.1 | 2.5 | 3.0 | 20 | 20.4 | 72.1 | 72.8 | 2.5 | 2.0 |
| ||
300 | 74.8 | 74.8 | 75.5 |
| ||||||||||
320 | 22 | 81.0 | 22 | 22.4 | 81.0 | 81.6 |
| |||||||
340 | 83.6 | 83.6 | 84.3 |
| ||||||||||
360 | 26 | 93.2 | 26 | 26.4 | 93.2 | 93.8 |
| |||||||
380 | 95.9 | 95.9 | 96.6 |
| ||||||||||
400 | 98.6 | 98.6 | 99.3 |
| ||||||||||
420 | 30 | 108.2 | 3.0 | 4.0 | 30 | 30.4 | 108.2 | 108.8 | 3.0 | 2.5 |
| |||
450 | 112.3 | 112.3 | 112.9 |
| ||||||||||
480 | 34 | 0 -0.160 | 123.1 | 34 | 34.4 | 123.1 | 123.8 |
| ||||||
500 | 125.9 | 125.9 | 126.6 |
| ||||||||||
530 | 38 | 136.7 | 38 | 38.4 | 136.7 | 137.4 |
| |||||||
560 | 140.8 | 140.8 | 141.5 |
| ||||||||||
600 | 42 | 153.1 | 42 | 42.4 | 153.1 | 153.8 |
| |||||||
630 | 157.1 | 157.1 | 157.8 |
| ||||||||||
100 | 10 | 0 -0.090 | 30 | 1.0 | 1.2 | 10 | 0 -0.2 | 10.3 | +0.2 0 | 30 | 30.4 | 1.0 | 0.7 |
|
110 | 11 | 0 -0.110 | 33 | 11 | 11.4 | 33 | 33.5 |
| ||||||
120 | 12 | 36 | 12 | 0 -0.3 | 12.4 | +0.3 0 | 36 | 36.5 |
| |||||
130 | 13 | 39 | 13 | 13.4 | 39 | 39.5 |
| |||||||
140 | 14 | 42 | 14 | 14.4 | 42 | 42.5 |
| |||||||
150 | 15 | 45 | 1.6 | 2.0 | 15 | 15.4 | 45 | 45.5 | 1.6 | 1.2 |
| |||
160 | 16 | 48 | 16 | 16.4 | 48 | 48.5 |
| |||||||
170 | 17 | 51 | 17 | 17.4 | 51 | 51.5 |
| |||||||
180 | 18 | 54 | 18 | 18.4 | 54 | 54.5 |
| |||||||
190 | 19 | 0 -0.130 | 57 | 2.5 | 3.0 | 19 | 19.4 | 57 | 57.5 | 2.5 | 2.0 |
| ||
200 | 20 | 60 | 20 | 20.4 | 60 | 60.5 |
| |||||||
220 | 22 | 66 | 22 | 22.4 | 66 | 66.5 |
| |||||||
240 | 24 | 72 | 24 | 24.4 | 72 | 72.5 |
| |||||||
250 | 25 | 75 | 25 | 25.4 | 75 | 75.5 |
| |||||||
260 | 26 | 78 | 26 | 26.4 | 78 | 78.5 |
| |||||||
280 | 28 | 84 | 3.0 | 4.0 | 28 | 28.4 | 84 | 84.5 | 3.0 | 2.5 |
| |||
300 | 30 | 90 | 30 | 30.4 | 90 | 90.5 |
| |||||||
320 | 32 | 0 -0.160 | 96 | 32 | 32.4 | 96 | 96.5 |
| ||||||
340 | 34 | 102 | 34 | 34.4 | 102 | 102.5 |
| |||||||
360 | 36 | 108 | 36 | 36.4 | 108 | 108.5 |
| |||||||
380 | 38 | 114 | 38 | 38.4 | 114 | 114.5 |
| |||||||
400 | 40 | 120 | 40 | 40.4 | 120 | 120.5 |
| |||||||
420 | 42 | 126 | 42 | 42.4 | 126 | 126.5 |
| |||||||
450 | 45 | 135 | 4.0 | 5.0 | 45 | 45.4 | 135 | 135.5 | 4.0 | 3.0 |
| |||
480 | 48 | 144 | 48 | 48.5 | 144 | 144.7 |
| |||||||
500 | 50 | 150 | 50 | 50.5 | 150 | 150.7 |
| |||||||
530 | 53 | 0 -0.190 | 159 | 53 | 53.5 | 159 | 159.7 |
| ||||||
560 | 56 | 168 | 56 | 56.5 | 168 | 168.7 |
| |||||||
600 | 60 | 180 | 5.0 | 7.0 | 60 | 60.5 | 180 | 180.7 | 5.0 | 4.0 |
| |||
630 | 63 | 189 | 63 | 63.5 | 189 | 189.7 |
| |||||||
710 | 71 | 213 | 71 | 71.5 | 213 | 213.7 |
| |||||||
800 | 80 | 240 | 80 | 80.5 | 240 | 240.7 |
| |||||||
900 | 90 | 0 -0.220 | 270 | 7.0 | 9.0 | 90 | 90.5 | 270 | 270.7 | 7.0 | 5.0 |
| ||
1000 | 100 | 300 | 100 | 100.5 | 300 | 300.7 |
| |||||||
1;所有标注为智造资料网zl.fbzzw.cn的内容均为本站所有,版权均属本站所有,若您需要引用、转载,必须注明来源及原文链接即可,如涉及大面积转载,请来信告知,获取《授权协议》。
2;本网站图片,文字之类版权申明,因为网站可以由注册用户自行上传图片或文字,本网站无法鉴别所上传图片或文字的知识版权,如果侵犯,请及时通知我们,本网站将在第一时间及时删除,相关侵权责任均由相应上传用户自行承担。
[complaint:内容投诉]
智造资料网打造智能制造3D图纸下载,在线视频,软件下载,在线问答综合平台 » 普通切向键、强力切向键及键槽的尺寸(GB/T 1974-1980)(图文教程) ...

