首页
图纸下载
冲压模具
塑胶模具
数控编程
机械设备
家用电器
更多
软件下载
二维软件
三维软件
编程软件
CAE软件
系统软件
更多
图文资讯
软件应用
模具制造
机械制造
机械知识
平面设计
其他
软件安装
帮助中心
注册问题
登录问题
上传问题
下载问题
充值问题
更多
在线视频
新站课程
本站课程
在线问答
登录
注册
如图 第8页
最新标签
HTML
入门
精通
摩托车
三轮
狂想
两栖
图文
作用
水泵
诱导
前置
视频
测试
咨询
售后
违规
注册
登录
充值
积分
流程
提现
编号
大小
提取
0167
XSSJUG
取值
旋切
毫米
按照
上传
退稿
稿件
无法
账号
注销
站上
qiufukang
右上角
绑定
下拉
帐号
原作者
以下简称
本站
协议
会员
其它
刀路
桃木
夹板
关联性
鸟瞰
文章
PAUSE
command
主视图
长度
RCDATA
计算
ID
开发
雕刻机
生成
注释
端盖
中设
标题
回到
外公切线
圆心
立体
实验
布局
浮动
外部
参照
网格
多线
显示
缩放
特性
编组
门厅
源点
附着
光源
图片
一圆
基点
SolidEdge
教程
属性
10.3
有的
弧段
正交
栅格
及图
文章排序
时间
标题
热度
留言
随机
机械制图教程—2-4直线与点以及两直线的相对位置(图文教程) ...
投影
直线
如图
平行
机械制图教程—2-5直角投影定理(图文教程)
投影
直线
垂直
如图
机械制图教程—2-7平面上的直线和点(图文教程)
面上
投影
直线
如图
机械制图教程—3-2点的投影变换(图文教程)
投影
如图
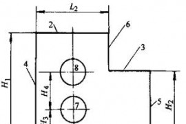
机械制图教程—6-4组合体的尺寸注法(图文教程)
尺寸
基准
如图
标注
机械制图教程—6-5组合体视图的基本方法(图文教程)
视图
如图
投影
形状
机械产品设计中零件装配工艺性(图文教程)
装配
结构
如图
零件
机械制图教程—7-2斜二等轴测投影(图文教程)
如图
投影
圆心
坐标
机械制图教程—7-3斜二等轴测投影(图文教程)
如图
投影
圆心
坐标
机械制图教程—7-4轴测剖视图(图文教程)
如图
剖面
剖视图
物体
V带结构设计(图文教程)
如图
尺寸
机械制图教程—8-1视图(图文教程)
视图
如图
投影
机件
机械制图教程—8-2剖视图(图文教程)
剖视图
机件
如图
标注
平面
机械制图教程—8-3断面图(图文教程)
断面
如图
标注
机械制图教程—8-4局部放大图和简化画法(图文教程)
如图
机件
结构
实线
机械制图教程—8-6第三角投影简介(图文教程)
投影
视图
如图
主视图
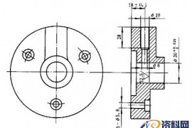
机械制图教程—9-2螺纹紧固件及其连接(图文教程)
螺栓
如图
机械制图教程—9-4销及其连接(图文教程)
圆锥
如图
圆柱
模具设计指南-3.胶件结构(图文教程)
如图
斜度
曲面
模具
脱模
模具设计指南-4.模具报价(图文教程)
模具
淬火
如图
耐腐蚀
报价
模具设计指南-5.模具结构设计(图文教程)
如图
顶针
模具
结构
尺寸
模具设计指南-7.行位设计(图文教程)
如图
机构
分型
结构
侧向
模具设计指南-9.浇注系统及排气设计(图文教程)
浇口
流道
型腔
如图
流动
模具设计指南-8.脱模机构(图文教程)
顶针
脱模
如图
机构
配合
零件加工时的基准及其分类图文教程
基准
如图
平面
机床夹具的组成原理与解析图
定位
如图
模具设计教程-13无流道凝料模具设计(建议收藏)
道板
模具
热流
流道
如图
数控折弯工艺需知的技术知识
如图
工件
工艺
4
5
6
7
8
首页
发布
用户中心
积分充值
开通会员
客服