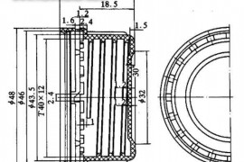
螺纹