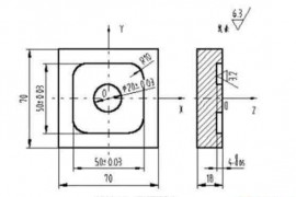
实例 第3页