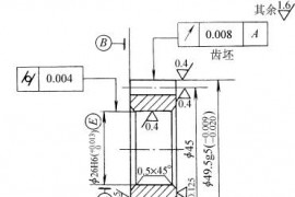
实例 第4页