齿轮的画法(图文教程)

    齿轮是轮缘上有齿能连续啮合传递运动和动力的机械元件。齿轮是能互相啮合的有齿的机械零件,齿轮在传动中的应用很早就出现了。19世纪末,展成切齿法的原理及利用此原理切齿的专用机床与刀具的相继出现,随着生产的发展,齿轮运转的平稳性受到重视。

一、圆柱齿轮画法

   以下是圆柱齿轮常见的形式:

 

齿轮的画法(图文教程),齿轮的画法,齿轮,画法,第1张

实心式

齿轮的画法(图文教程),齿轮的画法,齿轮,画法,第2张

腹板式

齿轮的画法(图文教程),齿轮的画法,齿轮,画法,第3张

孔板式

齿轮的画法(图文教程),齿轮的画法,齿轮,画法,第4张

轮幅式

齿轮的画法(图文教程),齿轮的画法,齿轮,画法,第5张

    假如我说齿轮的视图要这样画,你有何感想?

齿轮的画法(图文教程),齿轮的画法,齿轮,画法,第6张

    显然,这样画齿轮太麻烦了,严重影响画图效率!所以,须采用简单的画法

    首先看看孔板式齿轮画法:

    两个图样中,哪种表达方法更合理?

齿轮的画法(图文教程),齿轮的画法,齿轮,画法,第7张

    表达方案一

齿轮的画法(图文教程),齿轮的画法,齿轮,画法,第8张

    表达方案二

    显然表达方案二更清楚地表达了齿轮的内部结构,且便于标注。

    看看轮辐式齿轮的画法,它的画法与前面所说的有那么一点儿不同。

齿轮的画法(图文教程),齿轮的画法,齿轮,画法,第9张

齿轮的画法(图文教程),齿轮的画法,齿轮,画法,第10张

    这是均匀分布着5条轮辐的齿轮,剖切时只剖着了一条轮辐,画的时候要按对称形式画,这是规定!就是假想将下面的轮辐转到剖切位置来画。

齿轮的画法(图文教程),齿轮的画法,齿轮,画法,第11张

     斜齿、人字齿圆柱齿轮的画法与直齿圆柱齿轮画法大同小异,只是在计算时应采用法向模数mn,主视图一般采用半剖,用细实线在未剖部分画上三条斜线或“人字线”,但线的方向及角度应与所设计的齿轮一致。

齿轮的画法(图文教程),齿轮的画法,齿轮,画法,第12张

齿轮的画法(图文教程),齿轮的画法,齿轮,画法,第13张

 

 

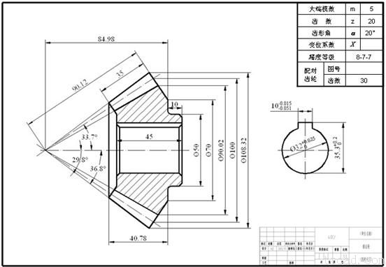
二、锥齿轮画法

齿轮的画法(图文教程),齿轮的画法,齿轮,画法,第14张齿轮的画法(图文教程),齿轮的画法,齿轮,画法,第15张

齿轮的画法(图文教程),齿轮的画法,齿轮,画法,第16张

锥齿轮

齿轮的画法(图文教程),齿轮的画法,齿轮,画法,第17张

齿条

齿轮的画法(图文教程),齿轮的画法,齿轮,画法,第18张

齿轮的画法(图文教程),齿轮的画法,齿轮,画法,第19张

锥齿轮的啮合画法

齿轮的画法(图文教程),齿轮的画法,齿轮,画法,第20张

    采用范成法加工齿轮,有时会出现根切现象,即齿根的渐开线齿廓被切去一块,使轮齿承载能力大大降低。根切的原因是齿数过少。那么,不产生根切的最少齿数是多少呢?

齿轮的画法(图文教程),齿轮的画法,齿轮,画法,第21张

齿轮正确啮合条件之一:两齿轮的模数相等    m1=m2=m

齿轮的画法(图文教程),齿轮的画法,齿轮,画法,第22张

免责声明:
1;所有标注为智造资料网zl.fbzzw.cn的内容均为本站所有,版权均属本站所有,若您需要引用、转载,必须注明来源及原文链接即可,如涉及大面积转载,请来信告知,获取《授权协议》。
2;本网站图片,文字之类版权申明,因为网站可以由注册用户自行上传图片或文字,本网站无法鉴别所上传图片或文字的知识版权,如果侵犯,请及时通知我们,本网站将在第一时间及时删除,相关侵权责任均由相应上传用户自行承担。
[complaint:内容投诉]
智造资料网打造智能制造3D图纸下载,在线视频,软件下载,在线问答综合平台 » 齿轮的画法(图文教程)