八大注塑模具结构设计分类

一.单分型面注塑模

开模时,动模和定模分开,从而取出塑件,称单分型面模具,又称双板式模。它是注塑模具中最简单最基本的一种形式,它根据需要可以设计成单型腔注塑模,也可以设计成多型腔注塑模,是应用最广泛的一种注塑模。

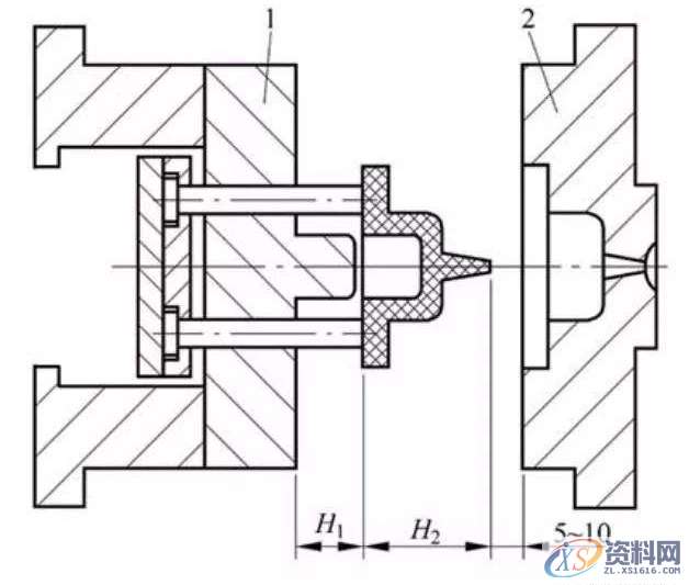
二.双分型面注塑模

双分型面注塑模有两个分型面,与单分型面注塑模具相比较,双分型面注塑模具在定模部分增加了一块可以局部移动的中间板(又叫活动浇口板,其上设有浇口、流道及定模所需要的其它零件和部件),所以也叫三板式(动模板,中间板,定模板)注塑模具,它常用于点浇口进料的单型腔或多型腔的注塑模具,开模时,中间板在定模的导柱上与定模板作定距离分离,以便在这两个模板之间取出浇注系统凝料。双分型面注塑模结构复杂,制造成本较高,零部件加工困难,一般不用于大型或特大型塑料制品的成型。

八大注塑模具结构设计分类,结构设计,第1张

三.带有侧向分型与抽芯机构的注塑模

当塑件有侧孔或侧凹时,需采用可侧向移动的型芯或滑块成型。注塑成型后,动模首先向下移动一段距离,然后固定于定模板上的弯销的斜面段迫使滑块向外移动,与此同时脱模机构的推杆推动推件板使塑件自型芯上脱下。

四.带有活动成型零部件的注塑模

由于塑件的某些特殊结构,要求注塑模设置可活动的成型零部件,如活动凸模、活动凹模、活动镶件、活动螺纹型芯或型环等,在脱模时可与塑件一起移出模外,然后与塑件分离。

五.自动卸螺纹注塑模

对带有螺纹的塑件,当要求自动脱 模时,可在模具上设置能够转动的螺纹型芯或型环,利用开模动作或注塑机的旋转机构,或设置专门的传动装置,带动螺纹型芯或螺纹型环转动,从而脱出塑件。

八大注塑模具结构设计分类,结构设计,第2张

六.无流道注塑模

无流道注塑模是指采用对流道进行绝热加热的方法,保持从注塑机喷嘴一型腔之间的塑料呈熔融状态,使开模取出塑件时无浇注系统凝料。前者称绝热流道注塑模,后者称热流道注塑模。

七.直角式注塑模

直角式注塑模具仅适用于角式注塑机,与其他注塑模截然不同的是该类模具在成型时进料的方向与开合模方向垂直。他的主流道开设在动、定模分型面的两侧,且它的截面积通常是不变的,这与其他注塑机用的模具有区别的,主流道的端部,为了防止注塑机喷嘴与主流道进口端的磨损和变形,可设置可更换的流道镶块。

八.脱模机构在定模上的注塑模

在大多数注塑模中,其脱模装置均是安装在动模一侧,这样有利于注塑机开合模系统中顶出装置的工作。在实际生产中,由于某些塑件受形状的限制,将塑件留在定模一侧对成型更好一些,这了使塑件从模具中脱出,就必须在定模一侧设置脱模机构。

东莞潇洒职业培训学校目前开设课程有:学历提升、积分入户、数控编程培训、塑胶模具设计培训,压铸模具设计培训、冲压模具设计培训,精雕、ZBrush圆雕培训、Solidworks产品设计培训、pro/E产品设计培训、AutoformR7工艺分析培训,非标自动化设计、PLC编程、CNC电脑锣操机、平面设计等培训,潇洒职业培训学校线下、线上等网络学习方式,随到随学,上班学习两不误,欢迎免费试学!
联系电话:13018636633(微信同号)  QQ:1740467385
学习地址:东莞市横沥镇

免责声明:
1;所有标注为智造资料网zl.fbzzw.cn的内容均为本站所有,版权均属本站所有,若您需要引用、转载,必须注明来源及原文链接即可,如涉及大面积转载,请来信告知,获取《授权协议》。
2;本网站图片,文字之类版权申明,因为网站可以由注册用户自行上传图片或文字,本网站无法鉴别所上传图片或文字的知识版权,如果侵犯,请及时通知我们,本网站将在第一时间及时删除,相关侵权责任均由相应上传用户自行承担。
[complaint:内容投诉]
智造资料网打造智能制造3D图纸下载,在线视频,软件下载,在线问答综合平台 » 八大注塑模具结构设计分类