液压抽芯注塑模设计:医用吸管注塑要点分析

该医用吸管塑件产品呈长筒形,总长为202mm,大端内径31.75mm,小端内径12.00mm,大端外径处有5处凹槽,平均胶位厚度2.0 mm,塑件的技术要求是不得存在披峰、注塑不满、料流纹、光泽不好、气孔、翘曲变形、银纹、脱模不好、气体烧焦、冷料、喷射纹、气泡、变色、等各种缺陷,塑件成型中不得使用脱模剂。外壳符合医疗器械塑件的基本要求。

液压抽芯注塑模设计:医用吸管注塑要点分析,塑件,模具,模架,油缸,第1张

医用吸管模具

塑件结构呈中空鸭嘴型扁筒,由于大端存在凹槽,无论选择怎样的开模方向,模具必须进行滑块抽芯。如果将塑件立起来设计,对于大端凹槽,需要设计哈夫滑块抽芯,此种设计方案的缺点就是模具的封闭高度太高,超出注射机的开模行程,导致塑件可能无法顶出。如果将塑件放倒设计,则滑块抽芯行程接近210mm,如此大行程的滑块抽芯,无法采用斜导柱抽芯,需要采用液压油缸抽芯才能满足行程要求。因此开模方向的选择是本套模具的难点,因为它 决定了模具的难易程度、注塑生产效率和模具成本。

另外一个问题是塑件的顶出。将塑件立起来设计时,虽然超出注射机的顶出行程,需要走哈夫滑块等等,但是此种方案对塑件的顶出来说很容易实现,只需要设计推板就可以将塑件顶出。推板顶出顶出力大,顶出平稳,塑件不易变形,更大的优点是塑件上没有顶针痕迹。如果将塑件放倒设计,抽芯系统可以选择液压油缸抽芯,但是塑件的顶出就存在困难,因为塑件外表面不能存在顶出痕迹。

综上所述,针对医用吸管这类超长塑件,设计了将滑块顶出后再液压抽芯的模具结构,有效地解决了注射机开模行程不足和塑件的顶出问题,模具结构见模具设计图.

液压抽芯注塑模设计:医用吸管注塑要点分析,塑件,模具,模架,油缸,第2张

医用吸管模具图

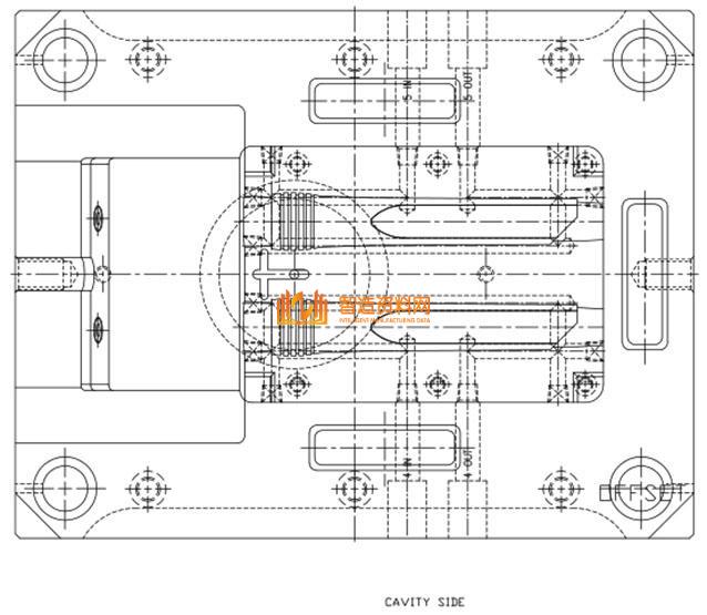
根据塑件的尺寸和结构形状,塑件的模具排位选择1出2,模具选择了大水口的两板模。模架采用龙记标准模架LKM CH3545,在模架的三边设计了锥度导柱辅助器,保证合模精度。为了保证加工精度及避免二次加工造成的变形,动模和定模的精框、滑块槽、铲机槽等全部采用在模架厂加工,精框框底周边设计R3圆角,避免应力集中,增加模具强度。

浇注系统设计采取了沿着圆周3点进胶,见图1放大图,3点进胶可以保证塑件的圆度,加快进胶速度及填充型腔的能力。

液压抽芯注塑模设计:医用吸管注塑要点分析,塑件,模具,模架,油缸,第3张

医用吸管模具图

液压抽芯注塑模设计:医用吸管注塑要点分析,塑件,模具,模架,油缸,第4张

医用吸管模具图

开模后,在注射机顶棍的作用下,推动顶针板顶出,流道系统凝料在顶针21作用下顶出。滑块座13与其底部的顶杆16用螺丝固定,在顶杆16的作用下,滑块座带动其上的油缸座12、油缸11和滑块座9等全部抽芯系统元件顶出,塑件在滑块芯5上一起脱离后模。顶杆16在顶出时,兼作顶出系统导向作用。顶出后,在油缸活塞杆的作用下,滑块推杆6推动塑件脱离滑块芯5,顶出结束。

注塑作业可以采用机械手取出塑件,将油缸置于天侧,则方便机械手取货。

液压抽芯注塑模设计:医用吸管注塑要点分析,塑件,模具,模架,油缸,第5张

医用吸管模具图

东莞潇洒职业培训学校目前开设课程有:学历提升、积分入户、数控编程培训、塑胶模具设计培训,压铸模具设计培训、冲压模具设计培训,精雕、ZBrush圆雕培训、Solidworks产品设计培训、pro/E产品设计培训、AutoformR7工艺分析培训,非标自动化设计、PLC编程、CNC电脑锣操机、平面设计等培训,潇洒职业培训学校线下、线上等网络学习方式,随到随学,上班学习两不误,欢迎免费试学!
联系电话:13018636633(微信同号)  QQ:1740467385
学习地址:东莞市横沥镇

免责声明:
1;所有标注为智造资料网zl.fbzzw.cn的内容均为本站所有,版权均属本站所有,若您需要引用、转载,必须注明来源及原文链接即可,如涉及大面积转载,请来信告知,获取《授权协议》。
2;本网站图片,文字之类版权申明,因为网站可以由注册用户自行上传图片或文字,本网站无法鉴别所上传图片或文字的知识版权,如果侵犯,请及时通知我们,本网站将在第一时间及时删除,相关侵权责任均由相应上传用户自行承担。
[complaint:内容投诉]
智造资料网打造智能制造3D图纸下载,在线视频,软件下载,在线问答综合平台 » 液压抽芯注塑模设计:医用吸管注塑要点分析