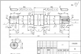
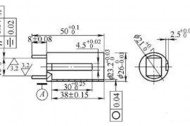
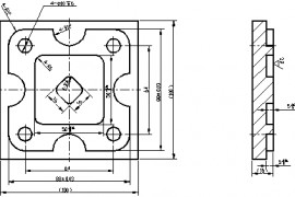
零件 第11页